Autor: Antonio Bueno

Unidad didáctica:
"Instalaciones Eléctricas en viviendas"




CURSO 3º ESO


Autor: Antonio Bueno

Unidad didáctica:
"Instalaciones Eléctricas en viviendas"
ÍNDICE

1.-  Introducción
2.-  Distribución de la corriente.
   2.1.-  Carga de una instalación, grado de electrificación.
   2.2.-  Acometida, instalación de enlace.
   2.3.-  Líneas en las viviendas.
   2.4.-  Cuadro General de la vivienda.
   2.5.-  Hilos, grosor, corrientes máximas admisibles y tubos en los que se deben introducir.
   2.6.-  Puesta a tierra, instalación del Cuadro General de la vivienda.
3.-  Circuitos básicos en las viviendas.
   3.1.-  El enchufe o toma de corriente.
   3.2.-  Un punto de luz, dos luces en paralelo.
   3.3.-  El timbre.
   3.4.-  La conmutada.
   3.5.-  La conmutada de cruce.
4.-  Instalación en cocina y baño.
5.-  Distribución de circuitos en habitaciones.
6.-  Cuadro resumen.
7.-  Ejercicios y actividades.
1.- Introducción

La realización de las instalaciones eléctricas están sujetas al reglamento electrotécnico de baja tensión que comprende las instrucciones técnicas ( ITC) BT 01 a BT51, la última edición del mismo se realizó el 18 de septiembre de 2002.

El conocimiento del mismo es imprescindible para los instaladores eléctricos, pero aquí sólo se hace referencia a lo que indica el mismo con el objeto de familiarizarnos con sus instrucciones.

Por otra parte las instalaciones se representan con esquemas que nos ayudan a interpretar la conexión entre los distintos elementos.

Existen dos tipos de esquemas, uno simplificado con poco detalle llamado Unifilar, se utiliza para dar una idea general así como la situación de los elementos y otro desarrollado que permite comprender el funcionamiento, ejecutar el cableado y facilitar su reparación llamado Multifilar.

En ésta unidad utilizaremos ambos tipos de esquemas.

Además respetaremos la simbología normalizada que se emplea en ellos.

Regresar al índice

2.- Distribución de la corriente.

El reglamento electrotécnico de baja tensión (REBT) establece que las tensiones nominales usualmente utilizadas en las distribuciones de corriente alterna serán de:

  a) 230 V entre fases para redes trifásicas de tres conductores.

  b) 230 V entre fase y neutro, y 400 V entre fases, para las redes trifásicas de 4 conductores.

También indica que la frecuencia empleada en la red será de 50 Hz.

De manera que sólo queda por determinar la corriente que necesitará y como debe distribuirse en el interior de cada vivienda.

Regresar al índice

2.1.- Carga de una instalación, grado de electrificación.

Para obtener la carga de que dispone una instalación eléctrica, es necesario conocer la potencia, en vatios, de todos los receptores que se van ha instalar y conectar al mismo tiempo, se suman y obtenemos la carga de la instalación.

Ejercicio 1:

En una vivienda de 100 m2, tenemos los siguientes receptores en cada habitación:

  • Comedor: 3 bombillas de 100 W, televisión de 150 W, equipo de música 135 W, DVD 60 W, lámpara de 40 W.
  • Pasillo: 4 bombillas halógenas de 50 W.
  • Cocina: 2 fluorescentes de 30 W, Nevera de 350 W, lavavajillas 600 W, microondas 700 W, horno 1500 W, lavadora 800 W y secadora de 550 W.
  • Dormitorio de matrimonio: 5 bombillas de 60 W, dos lámparas de 40 W, televisión de 80 W.
  • Dormitorio del niño: Lámpara de bajo consumo de 7 W, ordenador personal 400 W, radio CD 45 W.
  • Estudio: Luminaria con 3 fluorescentes de 35 W, ordenador portátil de 80 W.
  • Baño: 3 bombillas de 25 W, 1 bombillas de 60 W, secador de pelo de 1000 W.

Obtener la potencia total instalada en la vivienda:

Solución:

La potencia instalada será:

Habitación Potencias Total
Comedor 3*100 + 150 +135 + 60 + 40 685 W
Pasillo 4*50 200 W
Cocina 2*30 + 350 + 600 + 700 + 1500 + 800 + 550 4560 W
Dormitorio de matrimonio 5*60 + 2*40 + 80 460 W
Dormitorio del niño 7 + 400 + 45 452 W
Estudio 3*35 + 80 185 W
Baño 3*25 + 60 + 1000 1135 W
Total   7677 W

Si dividimos la potencia total por la tensión obtenemos la corriente que entrará en la vivienda.

I = P/V = 7677 W/ 230 V = 33,378 A

Sin embargo esto no se puede conocer a priori, por lo que el reglamento electrotécnico de baja tensión (REBT) establece el grado de electrificación de las viviendas, que depende del grado de utilización que se desee alcanzar. Se establecen dos grados:

  • Electrificación básica.
  • Electrificación elevada.

Electrificación básica:

Debe cubrir las posibles necesidades de utilización primarias sin necesidad de obras posteriores. Se prevé una potencia no inferior a 5.750W a 230 V, independientemente de la potencia a contratar por el usuario.

Electrificación elevada:

Debe cubrir las necesidades de la electrificación básica y además, sistemas de calefacción eléctrica o de acondicionamiento de aire o cuando la vivienda tiene una superficie útil superior a 160 m2. En este caso se prevé una potencia no inferior a 9.200 W

Ejercicio 2:

¿Con qué tipo de electrificación corresponde el ejemplo anterior?

Solución:

Electrificación básica. La dimensión de la vivienda es inferior a 160 m2, no dispone ni de calefacción ni de aire acondicionado y no supera los 9.200 W.

Ejercicio 3:

¿Qué tipo de electrificación debemos elegir para una vivienda donde queremos poner aire acondicionado?

Solución:

Electrificación elevada.

Ejercicio 4:

¿Qué tipo de electrificación debemos elegir para una vivienda usual de 90 m2, con lavadora y termo eléctrico?

Solución:

Electrificación básica.

Regresar al índice

2.2.- Acometida, instalación de enlace.

La acometida es la parte de la instalación de la red de distribución, que alimenta la caja o cajas generales de protección (CGP).

Las instalaciones de enlace, son aquellas que unen la caja general de protección o cajas generales de protección, incluidas estas, con las instalaciones interiores. Comenzarán por lo tanto en el final de la acometida y terminarán en los dispositivos generales de mando y protección.

Las partes que constituyen las instalaciones de enlace son:

  • Caja General de Protección (CGP)
  • Línea General de Alimentación (LGA)
  • Elementos para la Ubicación de Contadores (CC)
  • Derivación Individual (DI)
  • Caja para Interruptor de Control de Potencia (ICP)
  • Dispositivos Generales de Mando y Protección (DGMP)

El conjunto Derivación Individual, e instalación interior constituye la instalación privada del usuario. El resto pertenece a la empresa suministradora de la energía.

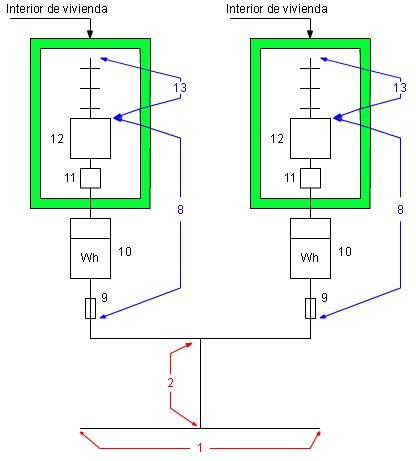
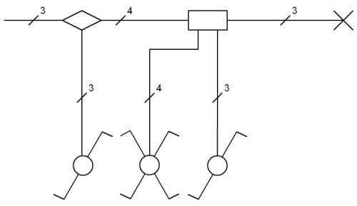
Leyenda de los esquemas

  1. Red de distribución.
  2. Acometida
  3. Caja general de protección
  4. Línea general de alimentación
  5. Interruptor general de maniobra
  6. Caja de derivación
  7. Emplazamiento de contadores
  8. Derivación Individual
  9. Fusible de seguridad
  10. Contador
  11. Caja para interruptor de control de potencia
  12. Dispositivos generales de mando y protección
  13. Instalación interior

Para un solo usuario

Regresar al índice

Leyenda de los esquemas

  1. Red de distribución.
  2. Acometida
  3. Caja general de protección
  4. Línea general de alimentación
  5. Interruptor general de maniobra
  6. Caja de derivación
  7. Emplazamiento de contadores
  8. Derivación Individual
  9. Fusible de seguridad
  10. Contador
  11. Caja para interruptor de control de potencia
  12. Dispositivos generales de mando y protección
  13. Instalación interior

Para dos usuarios

Regresar al índice

Leyenda de los esquemas

  1. Red de distribución.
  2. Acometida
  3. Caja general de protección
  4. Línea general de alimentación
  5. Interruptor general de maniobra
  6. Caja de derivación
  7. Emplazamiento de contadores
  8. Derivación Individual
  9. Fusible de seguridad
  10. Contador
  11. Caja para interruptor de control de potencia
  12. Dispositivos generales de mando y protección
  13. Instalación interior

Para varios usuarios con contadores centralizados en un lugar

Regresar al índice

Leyenda de los esquemas

  1. Red de distribución.
  2. Acometida
  3. Caja general de protección
  4. Línea general de alimentación
  5. Interruptor general de maniobra
  6. Caja de derivación
  7. Emplazamiento de contadores
  8. Derivación Individual
  9. Fusible de seguridad
  10. Contador
  11. Caja para interruptor de control de potencia
  12. Dispositivos generales de mando y protección
  13. Instalación interior

Para varios usuarios con contadores centralizados en más de un lugar

Regresar al índice

Las Cajas Generales de Protección, son cajas que alojan los elementos de protección de las líneas generales de alimentación.

Se situarán sobre las fachadas exteriores de los edificios, en lugares de libre y permanente acceso.

Cuando la acometida sea aérea podrán instalarse en montaje superficial a una altura sobre el suelo comprendida entre 3 m y 4 m.

Cuando la acometida sea subterránea se instalará siempre en un nicho en pared, que se cerrará con una puerta preferentemente metálica. La parte inferior de la puerta se encontrará a un mínimo de 30 cm del suelo.

Para el caso de suministros para un único usuario o dos usuarios alimentados desde el mismo lugar, al no existir línea general de alimentación, podrá simplificarse la instalación colocando en un único elemento, la caja general de protección y el equipo de media, denominado Caja de Protección y Medida.

La caja de protección y medida, se alojará de manera que los dispositivos de lectura de los equipos de medida deben estar instalados a una altura comprendida entre 0,7 m y 1,80 m. Por lo demás se instalarán de la misma forma que las Cajas Generales de Protección.

La línea general de alimentación, es la que enlaza la Caja General de Protección con la centralización de contadores. En ella se incluirá el conductor de protección.

Derivación individual es la parte de la instalación que, partiendo de la línea general de alimentación suministra energía eléctrica a una instalación de usuario. En ella se incluirá el conductor de protección.

Cada derivación individual será totalmente independiente de las derivaciones de otros usuarios.

Los contadores y demás dispositivos para la medida de la energía eléctrica podrán estar ubicados en:

  • módulos (cajas con tapas precintables)
  • paneles
  • armarios

Deberán permitir de forma directa la lectura de los contadores e interruptores horarios, así como la del resto de dispositivos de medida.

Para un usuario o dos, se ubican las denominadas cajas de protección y medida, que se instalarán como se ha indicado anteriormente.

La propiedad del edificio o el usuario tendrán la responsabilidad del quebranto de precintos que se coloquen y de la alteración de los elementos instalados que quedan bajo su custodia.

Regresar al índice

2.3.- Líneas en las viviendas.

Los tipos de circuitos independientes en las viviendas serán los siguientes y estarán protegidos cada uno de ellos por un interruptor automático de corte omnipolar con accionamiento manual y dispositivo de protección contra sobrecargas y cortocircuitos.

Circuitos de la electrificación básica:

C1 circuito de distribución interna, destinado a alimentar los puntos de iluminación.

C2 circuito de distribución interna, destinado a tomas de corriente de uso general y frigorífico.

C3 circuito de distribución interna, destinado a alimentar la cocina y horno.

C4 circuito de distribución interna, destinado a alimentar la lavadora, lavavajillas y el termo eléctrico.

C5 circuito de distribución interna, destinado a alimentar tomas de corriente de los cuartos de baño, así como las bases auxiliares del cuarto de cocina.

Circuitos de la electrificación elevada:

Además de los circuitos de la electrificación básica se instalarán los siguientes:

C6 circuito adicional del tipo C1, por cada 30 puntos de luz.

C7 circuito adicional del tipo C2, por cada 20 tomas de corriente de uso general o si la superficie útil de la vivienda es mayor de 160 m2.

C8 circuito de distribución interna, destinado a la instalación de calefacción eléctrica, cuando existe previsión de ésta.

C9 circuito de distribución interna, destinado a la instalación de aire acondicionado, cuando existe previsión de éste.

C10 circuito de distribución interna, destinado a la instalación de una secadora independiente.

C11 circuito de distribución interna, destinado a la alimentación del sistema de automatización, gestión técnica de la energía y de seguridad, cuando exista previsión de ésta.

C12 circuitos adicionales de cualquiera de los tipos C3 o C4, cuando se prevean, o circuito adicional del tipo C5, cuando su número de tomas de corriente exceda de 6.

Ejercicio 5:

Indica los circuitos que debe tener una vivienda en la que vamos a instalar los siguientes elementos: 20 puntos de luz, 25 tomas de corriente, 1 lavadora, 1 televisión, 1 cocina eléctrica y 2 aires acondicionados.

Solución:

Circuito de utilización 
C1 IluminaciónPara 20 puntos de luz
C2 Tomas de uso generalPara 20 tomas de corriente
C3 CocinaCocina eléctrica
C4 LavadoraLavadora
C5 Baño, cuarto de cocinaTomas en baños
C7 Tomas de uso generalPara 5 tomas de corriente y televisor
C9 Aire acondicionado2 aires acondicionados

Regresar al índice

2.4.- Cuadro General de la vivienda.

En el cuadro general de la vivienda se situará lo más cerca posible del punto de entrada de la derivación individual de la vivienda y junto a la puerta de entrada a una altura del suelo comprendida entre 1,4 m y 2 m. No podrá colocarse en dormitorios, baños, aseos, etc.

En él se situarán los siguientes elementos:

- El interruptor de Control de Potencia (ICP) lo instala la empresa suministradora de la energía para limitar el consumo de corriente del abonado. Debe ubicarse en una caja, inmediatamente antes de los demás dispositivos, en compartimento independiente y precintable. Puede colocarse en el mismo cuadro que el resto de los dispositivos generales de mando y protección.

La empresa suministradora proporciona el valor del mismo dependiendo de la potencia a contratar, por ejemplo esta es la tabla de Iberdrola:

Potencias a contratarCorriente del ICP
2300 W10 A
3450 W15 A
4600 W20 A
5750 W25 A

- El interruptor general automático (IG) de la vivienda viene impuesto por la capacidad máxima de la instalación. Como mínimo será un interruptor de corte omnipolar con accionamiento manual, de intensidad nominal mínima de 25 A y dispositivo de protección contra sobrecargas y cortocircuitos. Con poder de corte suficiente para la intensidad de cortocircuito como mínimo de 4500 A.

- Uno o varios interruptores diferenciales (ID) que garanticen la protección contra contactos indirectos de todos los circuitos, con una intensidad diferencial-residual máxima de 30 mA e intensidad asignada superior o igual que la del interruptor general. Como mínimo uno cada cinco circuitos.

- Un interruptor automático (IA) de protección individual para cada circuito de corte omnipolar con accionamiento manual y dispositivo de protección contra sobrecargas y cortocircuitos, la intensidad asignada a cada uno será según su aplicación.

Circuito de utilizaciónInterruptor Automático (A)
C1 Iluminación10
C2 Tomas de uso general16
C3 Cocina y horno25
C4 Lavadora, lavavajillas y termo eléctrico20
C5 Baño, cuarto de cocina16
C8 Calefacción25
C9 Aire acondicionado25
C10 Secadora16
C11 Automatización10

Luego el cuadro general para una vivienda con grado de electrificación básico e ICP incluido será:

Y el cuadro general para una vivienda con grado de electrificación elevado e ICP incluido será:

Ejercicio 6:

Indica la composición del cuadro generan que debe tener la vivienda del ejercicio 5:

Solución:

Observando los circuitos y contratando a la empresa suministradora una potencia de 4600 W el cuadro contendrá los siguientes elementos.

ElementoDatos
Interruptor de Control de PotenciaICP de 20 A
Interruptor GeneralIG de 40 A
Interruptor Diferencial (dos)ID de 40 A
C1 IluminaciónIA de 10 A
C2 Tomas de uso generalIA de 16 A
C3 CocinaIA de 25 A
C4 LavadoraIA de 20 A
C5 Baño, cuarto de cocinaIA de 16 A
C7 Tomas de uso generalIA de 16 A
C9 Aire acondicionadoIA de 25 A

Todos ellos son elementos de corte omnipolar, excepto el ICP, que lo suministra la empresa y puede ser tanto omnipolar como unipolar, depende de las normas de la empresa suministradora.

Se tratará por tanto de una vivienda con grado de electrificación elevado.

Regresar al índice

2.5.- Hilos, grosor, corrientes máximas admisibles y tubos en los que se deben introducir.

Las líneas de alimentación estarán previstas para transportar la carga necesaria a los receptores y resto de elementos asociados. La norma considera que la potencia aparente mínima en VA a transportar debe ser 1,8 veces la potencia en vatios de los receptores.

La norma también establece que la máxima caída de tensión entre el origen de la instalación y cualquier otro punto de la instalación, será menor o igual que 3%.

Línea general de alimentación

El trazado de la línea general de alimentación será lo más corto posible.

Su sección mínima será de 10 mm2 si es de cobre y 16 mm2 si es de aluminio.

La caída de tensión máxima permitida será:

    - Para líneas generales destinadas a contadores totalmente centralizados: 0,5 por 100.

    - Para líneas generales destinadas a centralizaciones parciales de contadores: 1 por 100.

En la tabla siguiente se muestra las secciones admisibles de los conductores de la línea general de alimentación y el tubo que debe contenerla.

Línea general de alimentación

Secciones (mm2)Diámetro exterior de los tubos (mm)
FaseNeutro
10 (Cu)1075
16 (Cu)1075
16(Al)1675
2516110
3516110
5035125
7035140
9550140
12070160
15070160
18595180
240120200

Derivaciones Individuales

Los tubos y canales protectoras tendrán un diámetro exterior nominal mínimo de 32 mm.

Cuando las derivaciones individuales discurran verticalmente se alojarán en el interior de una canaladura o conducto de obra de fábrica con paredes de resistencia al fuego RF 120. En estos casos y para evitar la caída de objetos y la propagación de llamas, se dispondrá como mínimo cada tres plantas, de elementos cortafuegos y tapas de registro a fin de facilitar trabajos de inspección y de instalación.

Las dimensiones mínimas de la canaladura o conducto de obra de fábrica, se ajustarán a la siguiente tabla:

Dimensiones (mm)
Número de derivacionesAnchura L (mm)
Profundidad P = 0,15 m una filaProfundidad P = 0,30 m dos filas
Hasta 120,650,50
13 - 241,250,65
25 - 361,850,95
37 - 482,451,35

La altura mínima de las tapas registro será de 0,30 m y su anchura igual a la de la canaladura. Su parte superior quedará instalada, como mínimo a 0,20 m del techo.

Con objeto de facilitar la instalación, cada 15 m se podrán colocar cajas de registro precintables, comunes a todos los tubos de derivación individual.

El número de conductores vendrá fijado por el número de fases necesarias, llevando cada línea su correspondiente conductor neutro así como el conductor de protección. Cada derivación individual incluirá el hilo de mando para posibilitar la aplicación de diferentes tarifas.

Los conductores serán de cobre o aluminio, aislados y normalmente unipolares, siendo su tensión asignada 450/750 V.

La sección mínima será de 6 mm2 para los cables polares, neutro y protección y de 1,5 mm2 para el hilo de mando, que será de color rojo.

La caída de tensión máxima admisible será:

- Para el caso de contadores concentrados en más de un lugar: 0,5 %

- Para el caso de contadores totalmente concentrados: 1%

- Para el caso de derivaciones individuales en suministros para un único usuario en que no existe línea general de alimentación: 1,5%.

Los contadores

Los cables en los contadores serán de 6 mm2 de sección, salvo cuando se incumplan las prescripciones reglamentarias en cuyo caso la sección será mayor. Serán de cobre y tensión asignada de 450/750 V.

Asimismo, deberá disponer del cableado necesario para los circuitos de mando y control. Su color de identificación será rojo y con una sección de 1,5 mm2.

Circuitos interiores en las viviendas

El valor de la intensidad del circuito en cuestión tendrá una corriente asignada, no inferior al valor de la intensidad prevista por el receptor o receptores a conectar.

El valor de la intensidad de corriente prevista en cada circuito se calculará de acuerdo con la fórmula:

I = n x Ia x Fs x Fu

Donde:

n es el número de tomas o receptores.
Ia es la intensidad prevista por toma o receptor.
Fs (factor de simultaneidad) es la relación de receptores conectados simultáneamente sobre el total.
Fu (factor de utilización) es el factor medio de utilización de la potencia máxima del receptor.

Los conductores serán de cobre y tensión asignada de 450/750 V, su sección será como mínimo la indicada en la tabla siguiente, y además estará condicionada a que la caída de tensión sea como máximo el 3%.

Los conductores se identificarán por el color de su aislamiento. El conductor de neutro será de color azul, el de protección será de color verde-amarillo, las fases serán de color marrón o negro, cuando se considere necesario identificar tres fases distintas se utilizará también el color gris.

Tipo de conductorColor
Protección (tierra)Verde-amarillo
NeutroAzul
FaseMarrón, negro, gris

Regresar al índice

Ejercicio 7:

En una instalación de un usuario único, calcula cuál será tensión mínima que debe aparecer en el receptor más alejado de la línea.

Solución:

Puesto que la caída de tensión máxima total permitida es del 4,5 % y la tensión de suministro de 230 V, la tensión en el punto más alejado será mayor o igual a:

Vmínima = V - V * 4,5% = V * ( 1- 0,045) = 230 V * (0,955) =219,65 V


Ejercicio 8:

Si la longitud de la línea de cobre que va desde el Interruptor Automático hasta el receptor más alejado, es de 30 m. ¿Calcula el valor mínimo de sección que debe tener dicho conductor si la corriente que va ha suministrar es de 10 A? ¿Debemos incrementar el valor mínimo que nos dice el Reglamento de Baja Tensión?.

Solución:

La caída máxima permitida para ese tramo es del 3%, y esta tensión será:

Vcaída = 230 V * 3% = 230 V * 0,03 = 6,9 V.

Como la resistencia del conductor debe cumplir que R = V / I = 6,9 V / 10 A = 0,69 W

Se trata de dos conductores (fase y neutro) de longitud 30 m, en los que se cumple:

R = r * L / S

donde:
R = Resistencia total de los dos conductores (W)
r = Resistividad de cobre (0,0172W * mm2 /m )
L = Longitud total de los dos conductores (m)
S = Sección de los conductores (mm2)

despejamos el valor de la sección y la calculamos

S = r * L / R = 0,0172W * mm2 /m * 60 m / 0,69 W = 1,495 mm2

No es necesario incrementar la sección que dice el reglamento.

Un resumen de las caídas de tensiones dependiendo de si se trata de un usuario único o varios con contadores centralizados en un solo sitio o distintos sitios puede verse a continuación.

Características eléctricas de los circuitos interiores en las viviendas (1).

Circuito de utilización Potencia prevista por toma (W) Factor de simultaneidad Fs Factor de utilización Fu Tipo de toma (7) Interruptor Automático (A) Máximo nº de puntos de utilización o tomas por circuito Conductores sección mínima (mm2)(5) Tubo o conducto diámetro externo mm(3)
C1 Iluminación 200 0,75 0,5 Punto de luz (9) 10 30 1,5 16
C2 Tomas de uso general 3.450 0,2 0,25 Base 16 A 2p+T 16 20 2,5 20
C3 Cocina y horno 5.400 0,5 0,75 Base 25 A 2p+T 25 2 6 25
C4 Lavadora, lavavajillas y termo eléctrico 3.450 0,66 0,75 Base 16 A 2p+T Combinadas con fusibles o interruptores automáticos de 16 A (8) 20 3 4(6) 20
C5 Baño, cuarto de cocina 3.450 0,4 0,5 Base 16 A 2p+T 16 6 2,5 20
C6 Calefacción (2) --- --- --- 25 --- 6 25
C9 Aire acondicionado (2) --- --- --- 25 --- 6 25
C10 Secadora 3.450 1 0,75 Base 16 A 2p+T 16 1 2,5 20
C11 Automatización (4) --- --- --- 10 --- 1,5 16

(1) La tensión considerada es de 230 V entre fase y neutro.
(2) La potencia máxima permisible por circuito será de 5.750 W.
(3) Diámetros externos según ITC-BT 19.
(4) La potencia máxima permisible por circuito será de 2.300 W.
(5) Este valor corresponde a una instalación de dos conductores y tierra con aislamiento de PVC bajo tubo empotrado en obra. Otras secciones pueden ser requeridas para otros tipos de cable o condiciones de instalación.
(6) En este circuito exclusivamente, cada toma individual puede conectarse mediante un conductor de sección 2,5 mm2 que parta de una caja de derivación del circuito de 4 mm2.
(7) ) Las bases de toma de corriente de 16 A 2p +T serán fijas del tipo indicado en la figura C2a y las de 25 A 2p + T del tipo indicado en la figura ESB 25-5A, ambas de la norma UNE 20315.
(8) Los fusibles o interruptores automáticos no son necesarios si se dispone de circuitos independientes para cada aparato, con interruptor automático de 16 A en cada circuito, el desdoblamiento del circuito con este fin no supondrá el paso a electrificación elevada ni la necesidad de disponer de un diferencial adicional.
(9) El punto de luz incluirá conductor de protección.

Regresar al índice

Puntos de utilización.

Estancia Circuito Mecanismo nº mínimo Superficie / Longitud
Acceso C1 Pulsador timbre 1  
Vestíbulo C1 Punto de luz
Interruptor de 10 A
1
1
---
---
C2 Base 16 A 2p + T 1 ---
Sala de estar o Salón C1 Punto de luz
Interruptor de 10 A
1
1
Hasta 10 m2 (dos si S >10 m2)
uno por cada punto de luz
C2 Base 16 A 2p + T 3(1) Una por cada 6 m2, redondeado al entero superior
C8 Toma de calefacción 1 Hasta 10 m2 (dos si S >10 m2)
C9 Toma de aire acondicionado 1 Hasta 10 m2 (dos si S >10 m2)
Dormitorios C1 Punto de luz
Interruptor de 10 A
1
1
Hasta 10 m2 (dos si S >10 m2)
uno por cada punto de luz
C2 Base 16 A 2p + T 3(1) Una por cada 6 m2, redondeado al entero superior
C8 Toma de calefacción 1 ---
C9 Toma de aire acondicionado 1 ---
Baños C1 Punto de luz
Interruptor de 10 A
1
1
---
C5 Base 16 A 2p + T 1 ---
C8 Toma de calefacción 1 ---
Pasillos o distribuidores C1 Punto de luz
Interruptor / Conmutador de 10 A
1
1
Uno cada 5 m de longitud
Uno en cada caso
C2 Base 16 A 2p + T 1 Hasta 5 m (dos si L > 5 m )
C8 Toma de calefacción 1 ---
Cocina C1 Punto de luz
Interruptor de 10 A
1
1
Hasta 10 m2 (dos si S >10 m2)
uno por cada punto de luz
C2 Base 16 A 2p + T 2 Extractor y frigorífico
C3 Base 25 A 2p + T 1 Cocina/horno
C4 Base 16 A 2p + T 3 Lavadora, lavavajillas y termo
C5 Base 16 A 2p + T 3(2) Encima del plano de trabajo
C8 Toma de calefacción 1 ---
C10 Base 16 A 2p + T 1 Secadora
Terrazas y vestidores C1 Punto de luz
Interruptor de 10 A
1
1
Hasta 10 m2 (dos si S >10 m2)
uno por cada punto de luz
Garajes unifamiliares y otros C1 Punto de luz
Interruptor de 10 A
1
1
Hasta 10 m2 (dos si S >10 m2)
uno por cada punto de luz
C2 Base 16 A 2p + T 2 Hasta 10 m2 (dos si S >10 m2)
(1) En donde se prevea la instalación de una toma para el receptor de TV, la base correspondiente deberá ser múltiple, y en este caso se considerará como una sola base a los efectos del número de puntos de utilización.
(2) Se colocarán fuera del volumen delimitado por los planos verticales situados a 0,5m del fregadero y de la encimera de cocción o cocina.

Ejercicio 9:

En una línea de tomas de corriente de uso general se desean conectar 4 receptores de 3,2 A cada uno, 2 de 1,3 A y 1 de 5,6 A. Calcula la intensidad prevista para dicha línea.

Solución:

Con ayuda de las tablas anteriores y la fórmula

I = n x Ia x Fs x Fu

tendremos:

I = (4 x 3,2 ) x 0,2 x 0,25 + (2 x 1,3) x 0,2 x 0,25 + 1 x 5,6 x 0,2 x 0,25 = 1,05 A

Luego la intensidad prevista será 1,05 A, y no será necesario ampliar la línea mínima prevista en el reglamento.

También debe cumplirse la siguiente tabla según los tubos sean superficiales o empotrados.

Para tubos o canalizaciones superficiales:

Sección nominal de los conductores unipolares (mm2) Diámetro exterior de los tubos (mm)
Número de conductores
1 2 3 4 5
1,5 12 12 16 16 16
2,5 12 12 16 16 20
4 12 16 20 20 20
6 12 16 20 20 25
10 16 20 25 32 32
16 16 25 32 32 32
25 20 32 32 40 40
35 25 32 40 40 50
50 25 40 50 50 50
70 32 40 50 63 63
95 32 50 63 63 75
120 40 50 63 75 75
150 40 63 75 75 ---
185 50 63 75 --- ---
240 50 75 --- --- ---

Para más de 5 conductores por tubo, o conductores o cables de secciones diferentes a instalar en el mismo tubo, su sección será, como mínimo 2,5 veces la sección ocupada por los conductores.

Para tubos en canalizaciones empotradas:

Sección nominal de los conductores unipolares (mm2) Diámetro exterior de los tubos (mm)
Número de conductores
1 2 3 4 5
1,5 12 12 16 16 20
2,5 12 16 20 20 20
4 12 16 20 20 25
6 12 16 25 25 25
10 16 25 25 32 32
16 20 25 32 32 40
25 25 32 40 40 50
35 25 40 40 50 50
50 32 40 50 50 63
70 32 50 63 63 63
95 40 50 63 75 75
120 40 63 75 75 ---
150 50 63 75 --- ---
185 50 75 --- --- ---
240 63 75 --- --- ---

Para más de 5 conductores por tubo, o conductores o cables de secciones diferentes a instalar en el mismo tubo, su sección será, como mínimo 3 veces la sección ocupada por los conductores.

La instalación de los tubos y canalizaciones debe cumplir las prescripciones siguientes:

Regresar al índice

2.6.- Puesta a tierra, instalación del Cuadro General de la vivienda.

El objeto de la puesta a tierra es limitar la tensión que, con respecto a tierra, puedan presentar en un momento dado las masas metálicas, asegurar la actuación de las protecciones y eliminar o disminuir el riesgo que supone una avería en los materiales eléctricos utilizados.

Se trata por tanto de una unión eléctrica directa, sin fusibles ni protección alguna, de una parte del circuito eléctrico o de una parte conductora no perteneciente al mismo mediante una toma de tierra con un electrodo o grupos de ellos enterrados en el suelo.

Mediante la instalación de puesta a tierra se deberá conseguir que en el conjunto de instalaciones, edificios, ... no aparezca diferencias de potencial peligrosas y que, al mismo tiempo, permita el paso a tierra de las corrientes de defecto o las de descarga de origen atmosférico.

A la toma de tierra establecida se conectará toda masa metálica importante, existente en la zona de la instalación, y las masas accesibles de los aparatos receptores. A esta misma toma de tierra deberán conectarse las partes metálicas de los depósitos de gasóleo, de las instalaciones de calefacción en genera, de las instalaciones de agua, de las instalaciones de gas canalizado y de las antenas de radio y televisión.

Las líneas de tierra se establecerán en las mismas canalizaciones que las de las líneas generales de alimentación y derivaciones individuales.

Los conductores de protección serán de cobre, con las mismas características de aislamiento que los conductores activos.

La sección que debe tener el conductor de protección (tierra), según sea la del conductor de fase, se indica en la tabla siguiente:

Sección de los conductores de fase de la instalaciónS (mm2)Sección mínima de los conductores protección SP (mm2)
S £ 16
16 £ S £ 35
S > 35
SP = S
SP = 16
SP = S / 2

Se instalarán conductores de protección acompañando a los conductores activos en todos los circuitos de la vivienda hasta los puntos de utilización.

En el cuadro general de distribución se dispondrán los bornes o pletinas para la conexión de los conductores de protección de la instalación interior con la derivación de la línea principal de tierra.

Luego la instalación del Cuadro General para una vivienda con grado de electrificación básico e ICP incluido será:

Y la instalación del Cuadro General para una vivienda con grado de electrificación elevado e ICP incluido será:

Regresar al índice

3.- Circuitos básicos en las viviendas.

Para comprender los circuitos básicos generalmente se representan con el esquema multifilar, donde se puede ver el conexionado con detalle de los conductores y elementos.

Sin embargo cuando se representa en la instalación se utiliza el esquema unifilar, que aunque falto de detalle, nos da una mayor idea de la cantidad de conductores y por donde deben discurrir en la instalación.

Existen otro tipo de esquemas, que nos muestran la distribución de los elementos en la vivienda, como el topográfico. En los circuitos siguientes se mostrarán los distintos esquemas.

Regresar al índice

3.1.- El enchufe o toma de corriente.

Las bases que están permitidas son la Base (C2a) 16 A 2p + T de uso general y la Base (ESB 25 -25a) 25 A 2p + T para cocinas.

En viviendas antiguas se pueden seguir utilizando las bases antiguas (C1a) sin toma de tierra, pero no en las de nueva creación, ni en ampliaciones, ni modificaciones o reparaciones de cierta importancia.

Por otra parte para colocar las tomas de corriente debemos tener en cuenta por donde pueden pasar los tubos y las normas de construcción.

De donde se puede llegar a la conclusión de que las tomas de corriente de uso general se deben encontrar a una altura del suelo de 30 cm, las utilizadas en las cocinas encima del banco deben estar a 110 cm del suelo y separadas de la cocina y del fregadero por lo menos 50 cm, para el microondas pueden alcanzar una altura de 140 cm, y para el extractor entre 170 y 180 cm desde el suelo. Aunque las alturas pueden variar si se considera necesario.

La instalación de la toma de corriente quedará de la forma siguiente:

Esquema multifilar:

Esquema unifilar:

El esquema topográfico será:

Regresar al índice

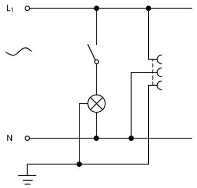
3.2.- Un punto de luz, dos luces en paralelo.

Para instalar los mecanismos se aconseja una altura comprendida entre 80 y 120 cm en general, excepto en las cabeceras de las camas que puede ser de 70 cm.

En el siguiente caso se plantea como se instalaría un mecanismo interruptor que conecta dos lámparas conectadas en paralelo.

Observar que el neutro va directamente conectado a los puntos de luz, mientras que la fase es interrumpida por el interruptor. Si conoce cuál es el terminal móvil del interruptor, es este el que se debe conectar a la lámpara y la fase se conecta al fijo del interruptor.

El funcionamiento es el siguiente:

Cuando se activa el interruptor la corriente circula por las bombillas y estas se iluminan.
Cuando se desactiva el interruptor deja de circular la corriente y las bombillas se apagan.

El desarrollo de los esquemas sería el siguiente.

Esquema multifilar:

Esquema unifilar:

El esquema topográfico será:

Regresar al índice

3.3.- El timbre.

El pulsador del timbre de llamada se instalará a una altura superior que la del resto de mecanismos de 120 cm a 180 cm, y en la parte exterior de la vivienda.

El funcionamiento es el siguiente:

Cuando se pulsa suena el timbre, si se deja de pulsar deja de sonar.

Esquema multifilar:

Esquema unifilar:

El esquema topográfico será:

Regresar al índice

3.4.- La conmutada.

Cuando se instala en dos puntos de una habitación la altura de los mecanismos podrá ser distinta dependiendo de donde se encuentren los elementos. Variará entre 80 cm y 120 cm.

El funcionamiento es el siguiente:

Cuando cambiamos la posición de cualquiera de los conmutadores se cierra el circuito y luce la lámpara. Si volvemos a cambiar la posición de cualquier conmutador deja de lucir la lámpara.

Esquema multifilar:

Esquema unifilar:

El esquema topográfico será:

Regresar al índice

3.5.- La conmutada de cruce.

La conmutada de crece se utiliza en lugares que queremos conectar lámparas desde tres o más sitios, como pasillos, o dormitorios.

La altura de los mecanismos podrá ser entre 70 cm junto a las cabeceras de las camas y entre 80 cm y 120 cm para el resto de sitios.

El funcionamiento de un conmutador de cruce es el siguiente:

En el estado de reposo los terminales A y A' están conectados a B' y B respectivamente. Cuando actuamos sobre él se conectan A con B y A' con B'. Cada vez que actuamos sobre él cambiamos de conexión.

El funcionamiento del circuito será el siguiente:

Cuando activamos cualquiera de los elementos (conmutadores o conmutador de cruce) cambia de estado la lámpara.

Si deseamos tener más de tres puntos de activación / desactivación, será suficiente con añadir tantos conmutadores de cruce como queramos.

Esquema multifilar:

Esquema unifilar:

El esquema topográfico será:

Regresar al índice

4.- Instalación en cocina y baño.

La cocina.

Es una de las zonas con mayor grado de equipamiento eléctrico. Hasta ella llegan las líneas de iluminación (C1), tomas de corriente de 16 A (C2) para extractor y frigorífico, tomas de corriente de 25 A (C3) para el horno, tomas de corriente de 16 A (C4) para la lavadora, lavavajillas y termo, tomas de corriente de 16 A (C5) situadas encima del plano de trabajo, y para el microondas, toma de calefacción (C8) y toma de corriente de 16 A (C10) para la secadora, hasta siete líneas distintas.

La altura de los mecanismos puede ser muy variada. Tan solo existe la limitación de que no se pueden poner tomas de corriente a menos de 50 cm de los planos verticales de la cocina y del fregadero.

Puesto que el mobiliario suele ser modular y estos módulos de 60 cm cada uno, una buena norma es colocar las tomas de corriente del lavavajillas, lavadora, horno y encimera, en un módulo contiguo si es posible para permitir el empotramiento completo del electrodoméstico.

En el siguiente gráfico se puede ver una propuesta de disposición de tomas de corriente.

Regresar al índice

El baño.

Se establecen los siguientes volúmenes en los baños:

- Volumen 0

Comprende el interior de la bañera o ducha.

En un lugar que contenga una ducha sin plato, el volumen 0 está delimitado por el suelo y por un plano horizontal situado a 0,05 m por encima del suelo. En este caso:

a) Si el difusor de la ducha puede desplazarse durante el uso, el volumen 0 está limitado por el plano generatriz vertical situado a un radio de 1,2 m alrededor de la toma de agua de la pared o el plano vertical que encierra el área prevista para ser ocupada por la persona que se ducha; o

b) Si el difusor de la ducha es fijo, el volumen 0 está limitado por el plano generatriz vertical situado a un radio de 0,6 m alrededor del difusor.

- Volumen 1

Está limitado por:

a) El plano horizontal superior al volumen 0 y el plano horizontal situado a 2,25 m por encima del suelo, y

b) El plano vertical alrededor de la bañera o ducha y que incluye el espacio por debajo de los mismos, cuando este espacio es accesible si el uso de una herramienta; o

- Para una ducha sin plato con un difusor que puede desplazarse durante su uso, el volumen 1 está limitado por el plano generatriz vertical situado a un radio de 1,2 m desde la toma de agua de la pared o el área cerrada prevista para ser ocupada por la persona que se ducha; o

- Para una ducha sin plato y con un rociador fijo, el volumen 1 está delimitado por la superficie generatriz vertical situada a un radio de 0,6 m alrededor del rociador.

- Volumen 2

Está limitado por:

a) El plano vertical exterior al volumen 1 y el plano vertical paralelo situado a una distancia de 0,6 m; y

b) El suelo y plano horizontal situado a 2,25 m por encima del suelo

Además, cuando la altura del techo exceda los 2,25 m por encima del suelo, el espacio comprendido entre el volumen 1 y el techo o hasta una altura de 3 m por encima del suelo, cualquiera que sea el valor menor, se considera volumen 2.

- Volumen 3

Está limitado por:

a) El plano vertical límite exterior del volumen 2 y el plano vertical paralelo situado a una distancia de éste a 2,4 m; y

b) El suelo y el plano horizontal situado a 2,25 m por encima del suelo

Además, cuando la altura del techo exceda los 2,25 m por encima del suelo, el espacio comprendido entre el volumen 2 y el techo o hasta una altura de 3 m por encima del suelo, cualquiera que sea el valor menor, se considera volumen 3.

El volumen 3 comprende cualquier espacio por debajo de la bañera o ducha que sea accesible sólo mediante el uso de una herramienta siempre que el cierre di dicho volumen garantice una protección como mínimo IP X4.

Esta clasificación no es aplicable al espacio situado por debajo de las bañeras de hidromasaje y cabinas.

Aquí pueden verse unas figuras que aclaran los distintos volúmenes.

La elección e instalación de materiales eléctricos que pueden instalarse en cada caso puede verse a continuación.

Volumen Grado de Protección Cableado Mecanismos (2) Otros aparatos fijos (3)
0 IPX7 Limitado al necesario para alimentar los aparatos eléctricos fijos situados en este volumen. No permitida Aparatos que únicamente pueden ser instalados en el volumen 0 y deben ser adecuados a las condiciones de este volumen.
1 IPX4
IPX2, por encima del nivel más alto de un difusor fijo.
IPX5, en equipo eléctrico de bañeras de hidromasaje y en los baños comunes en los que se puedan producir chorros de agua durante la limpieza de los mismos (1).
Limitado al necesario para alimentar los aparatos eléctricos fijos situados en los volúmenes 0 y 1. No permitida, con la excepción de interruptores de circuitos MBTS alimentados a una tensión nominal de 12 V de valor eficaz en alterna o de 30 V en continua, estando la fuente de alimentación fuera de los volúmenes 0, 1 y 2. Aparatos alimentados a MBTS no superior a 12 V ca ó 30 V cc.
Calentadores de agua, bombas de ducha y equipo eléctrico para bañeras de hidromasaje que cumplan con su norma aplicable, si su alimentación está protegida adicionalmente con un dispositivo de protección de corriente diferencial de valor no superior a los 30 mA, según la norma UNE 20.460-4-41
2 IPX4
IPX2, por encima del nivel más alto de un difusor fijo.
IPX5, en los baños comunes en los que se puedan producir chorros de agua durante la limpieza de los mismos(1).
Limitado al necesario para alimentar los aparatos eléctricos fijos situados en los volúmenes 0,1 y 2, y la parte del volumen 3 situado por debajo de la bañera o ducha. No permitida, con la excepción de interruptores o bases de circuitos de circuitos MBTS cuya fuente de alimentación esté instalada fuera de los volúmenes 0, 1 y 2. Se permiten también la instalación de bloques de alimentación de afeitadoras que cumplan con la norma UNE-EN 60742 o UNE-EN 61558-2-5 Todos los permitidos para el volumen 1.
Luminarias, ventiladores, calefactores, y unidades móviles para bañeras de hidromasaje que cumplan con su norma aplicable, si su alimentación está protegida adicionalmente con un dispositivo de protección de corriente diferencial de valor no superior a los 30 mA, según la norma UNE 20.460-4-41.
3 IPX5, en los baños comunes en los que se puedan producir chorros de agua durante la limpieza de los mismos(1) . Limitado al necesario para alimentar los aparatos eléctricos fijos situados en los volúmenes 0,1,2 y 3 Se permiten las bases sólo si están protegidas por un transformador de aislamiento; o por MBTS; o por un interruptor automático de la alimentación con un dispositivo de protección por corriente diferencial de valor no superior a los 30 mA, todos ellos según los requisitos de la norma UNE 20.460-4-41 Se permite los aparatos sólo si están protegidos bien por un transformador de aislamiento; o por MTBS; o por un dispositivo de protección de corriente diferencial de valor o superior a los 30 mA, todos ellos según los requisitos de la norma UNE 20.460-4-41.

Regresar al índice

5.- Distribución de circuitos en habitaciones.

En una habitación pueden coexistir varios circuitos. Todas tienen como mínimos la línea C1 de iluminación y casi todos la C2 de tomas de corriente de uso general.

Por ello es una buena norma instalar tubos distintos para cada uno de los circuitos y tratarlos por separado.

Sin embargo en ocasiones simplifica mucho la realización práctica de los circuitos la utilización de un mismo tubo por el que circulan dos líneas independientes.

Un ejemplo de esto es el circuito del interruptor y el enchufe:

Esquema multifilar:

Esquema unifilar:

El esquema topográfico será:

Regresar al índice

6.- Cuadro resumen.

En estos gráficos se puede ver un resumen sobre las instalación de grado básico y elevado.


Regresar al índice

7.- Ejercicios y actividades.

1.- Calcula el grado de electrificación de tu vivienda y crea un cuadro con los datos que obtengas.

Habitación Potencias Total
Comedor    
Pasillo    
Cocina    
Dormitorio 1    
Dormitorio 2    
Dormitorio 3    
Estudio    
Baño 1    
Baño 2    
Galería    
Otros    

El grado de electrificación es:

2.- Repite el cálculo del ejercicio 1, teniendo en cuenta el tipo de circuito que estás calculando así como los Factores de simultaneidad (Fs) y Factores de utilización (Fu) que corresponde a cada circuito.

Crea una tabla donde se incluyan estos valores para todas las habitaciones, como por ejemplo la siguiente:

Habitación Tipo de línea Fs Fu Potencia Total
Comedor C1 0,75 0,5    
C2 0,2 0,25  
C6 1 1  
C9 1 1  

Observa que la potencia a contratar es menor que cuando no se tienen en cuenta los factores de simultaneidad y utilización.

3.- En el caso anterior, conocida la tabla de contratación de potencias de Ia empresa suministradora, ¿cuál debe ser la potencia que debemos contratar y el valor de corriente del ICP que nos colocará la empresa?. Suponemos que queremos alimentar como máximo al mismo tiempo 1/3 de la potencia calculada en el ejercicio anterior.

Potencias a contratar Corriente del ICP
2300 W 10 A
3450 W 15 A
4600 W 20 A
5750 W 25 A

4.- Indica el número de circuitos que debe tener una vivienda domótica, en la que vamos a instalar:

35 enchufes por toda la casa, 26 puntos de luz, calefacción, 1 nevera, 3 aires acondicionados, 1 lavadora, sistema de automatización, horno eléctrico, 1 lavavajillas y 1 secadora.

5.- Dibuja el cuadro general de la vivienda del ejercicio 4.

6.- ¿Cuál debe ser el valor en voltios de la tensión en la entrada del cuadro general de una vivienda situada en una finca con contadores centralizados en un solo punto?.

Nota: Observa la caída de tensión en la línea, sabiendo que la empresa suministra una tensión de 230 V.

7.- En un circuito de tomas de corriente de uso general se desean conectar 6 receptores de 2,8 A cada uno, 7 de 0,6 A, 2 de 2,3 A y 3 de 4,9 A. Calcula la intensidad prevista para dicho circuito.

Regresar al índice