Autor: Antonio Bueno

Unidad didáctica:
"Control y Robótica"




CURSO 3º ESO


Autor: Antonio Bueno

Unidad didáctica:
"Control y Robótica"
ÍNDICE

1.-  Introducción.
2.-  Evolución de los sistemas automáticos.
     2.1.-  Mecanización.
     2.2.-  Automatización.
     2.3.-  Robotización.
3.-  Sistemas de control.
     3.1.-  Sistemas en lazo abierto.
     3.2.-  Sistemas en lazo cerrado.
     3.3.-  Sistemas discretos.
4.-  Arquitectura de un robot.
     4.1.-  Sensores.
     4.2.-  Actuadores.
     4.3.-  Tipos de robots industriales.
     4.4.-  Otra clasificación de robots.
5.-  Control por ordenador.
     5.1.-  Tarjetas controladoras.
     5.2.-  Descripción del Robot educativo MR-999E.
     5.3.-  Fundamentos de programación.
     5.4.-  Programación del Robot educativo MR-999E.
6.-  Actividades.
1.- Introducción.

Durante milenios el hombre ha creado herramientas, que con un largo proceso de perfeccionamiento se han ido modificando hasta obtener herramientas más cómodas, y eficaces.

En el trabajo artesanal, el hombre tenía como funciones la de motor, operario y controlador del sistema.

Trabajo artesano

Posteriormente ha creado máquinas herramientas que se encargan de realizar las duras tareas manuales.

En el trabajo mecánico, el hombre a pasado a trabajar como operario y a controlar el sistema, dejando a las máquinas herramientas las funciones de motor.

Máquinas herramientas que ayudan al operario

En la actualidad ha creado sistemas automáticos.

En el trabajo automático, el hombre a pasado a supervisar el sistema. El resto de tareas se realizan sin intervención humana.

Fábrica automática

Regresar al índice

2.- Evolución de los sistemas automáticos.

Desde la utilización de palos y piedras por nuestros antepasados, hasta el momento actual, la evolución de la forma de trabajar y crear objetos a pasado por los diversos estados.

- En el comienzo existían herramientas de uso cotidiano (palos, cuchillos de madera y de piedra, flechas de huesos, ...)

Herramientas del neolítico

- Luego se crearon herramientas especializadas (escoplos, martillos, buril, gubia, ...). Son los artesanos quienes saben utilizar adecuadamente las herramientas y cada herramienta es la adecuada para un tipo de trabajo.

Trabajo artesano

- A continuación se crean las máquinas herramientas (taladradora, fresadora, ...). La fuerza bruta la realizan las máquina, a pesar de que son necesarios operarios especializados para manejarlas.

Máquina herramienta y operario

- Por último se desarrollan los sistemas automáticos (automatismos y robots), el sistema se encarga de manejar a las máquinas herramientas, el operario especializado no es necesario, el hombre pasa a ser el supervisor.

Estos estados siguen conviviendo en la actualidad ya que no ha desaparecido ninguno de los anteriores con la aparición del nuevo.

Automatismo

Lo que más nos interesa en este momento es ver esta evolución sobre la industria, y la obtención de piezas.

Regresar al índice

2.1.- Mecanización

La mecanización consiste en la obtención de piezas mediante herramientas y máquinas herramientas.

En un principio la obtención de las piezas se realizaba de forma manual el operario se encargaba de realizar el mecanizado con herramientas manuales, sierra, lima, cincel, buril, etc.

Herramientas manuales

Este trabajo se ha visto ayudado por las máquinas herramientas que facilitan notablemente la obtención de piezas con mayor precisión, en menor tiempo y como consecuencia de menor coste. Algunas de las máquinas herramienta utilizadas son: El taladro, cepillo, fresadora, torno, sierra, etc.

Máquinas herramienta

Regresar al índice

2.2.- Automatización.

El término griego "automatos" significa que se mueve por el mismo.

Los autómatas, se tiene constancia que ya existían en la Grecia antigua, también se utilizaron en Egipto en estatuas articuladas que adoraban a Dios y a difuntos de importancia, utilizaban dispositivos invisibles a los fieles que eran casi siempre originados utilizando aire, colocado en vejigas de animales, que al dilatarse por pequeñas presiones hacían que se moviera la figura.

Es durante el siglo XVIII cuando sufren su mayor desarrollo, pero casi siempre se trata de sistema mecánicos con forma humana.

Durante el siglo XX, con ayuda de la electrónica, la automatización y sistematización de procesos ha sufrido un gran auge, y ha conseguido abaratar aún más la construcción de piezas y su montaje.

La automatización, actualmente, se emplea en la obtención de productos sin la necesidad de intervención humana en el proceso.

Automatismo electro-hidráulico

Regresar al índice

2.3.- Robotización.

Un robot es una máquina o ingenio electrónico programable, capaz de manipular objetos y realizar operaciones antes reservadas solo a las personas.

Por ello los robots se hacen necesarios durante la automatización y así poder eliminar al hombre durante la producción.

Es especialmente útil en lugares donde el ambiente de trabajo es perjudicial para las personas. Un ejemplo es un tren de pintura de coches.

Tren de robots

Por otra parte los robots pueden ser reprogramados y un mismo robot realizar tares diversas según nos convenga.

Regresar al índice

3.- Sistemas de control.

Entendemos como un sistema de control a la combinación de componentes que actúan juntos para realizar el control de un proceso.

Este control se puede hacer de forma continua, es decir en todo momento o de forma discreta, es decir cada cierto tiempo.

Cuando el sistema es continuo, el control se realiza con elementos continuos.

Cuando el sistema es discreto, el control se realiza con elementos digitales como el ordenador, por lo que hay que digitalizar los valores antes de su procesamiento y volver a convertirlos tras el procesamiento.

En cualquier caso existen dos tipos de sistemas, sistemas en lazo abierto y sistemas en lazo cerrado.

Regresar al índice

3.1.- Sistemas en lazo abierto.

Son aquellos en los que la salida no tiene influencia sobre la señal de entrada.

Sistema en lazo abierto

Un ejemplo puede ser el amplificador de sonido de un equipo de música.

Amplificador de sonido ejemplo de lazo abierto

Cuando nosotros variamos el potenciómetro de volumen, varia la cantidad de potencia que entrega el altavoz, pero el sistema no sabe si se ha producido la variación que deseamos o no.

Regresar al índice

3.2.- Sistemas en lazo cerrado.

Son aquellos en los que la salida influye sobre la señal de entrada.

Sistema en lazo cerrado

Un ejemplo puede ser el llenado del agua de la cisterna de un inodoro.

Llenado de una cisterna de agua ejemplo de lazo cerrado

El control se realiza sobre el nivel de agua que debe contener la cisterna.

Cuando tiramos del tirador de salida, la cisterna queda vacía. En ese momento el flotador baja y comienza a entrar agua en la cisterna.

Cuando el flotador sube lo suficiente, la varilla que contiene en un extremo al flotador y en el otro el pivote que presiona sobre la válvula de agua, se inclina de manera que el pivote presiona sobre la válvula y hace que disminuya la entrada de agua.

Cuanto más cerca está del nivel deseado más presiona y menor cantidad de agua entra, hasta estrangular totalmente la entrada de agua en la cisterna.

En la figura inferior se puede observar los distintos componentes del bucle cerrado.

Entrada de agua, controlador (válvula), nudo comparador (lo realiza tanto la válvula como el pivote y la palanca de la varilla), la realimentación (el flotador junto con la varilla y la palanca) y la salida de agua (que hace subir el nivel del agua).

Regresar al índice

3.3.- Sistemas discretos.

Los sistemas discretos son aquellos que realizan el control cada cierto tiempo.

En la actualidad se utilizan sistemas digitales para el control, siendo el ordenador el más utilizado, por su fácil programación y versatilidad.

El control en los robots generalmente corresponde con sistemas discretos en lazo cerrado, realizado por computador.

El ordenador toma los datos de los sensores y activa los actuadores en intervalos lo más cortos posibles del orden de milisegundos.

Regresar al índice

4.- Arquitectura de un robot.

La utilización de un robot, se hace muy común en un gran número de aplicaciones, donde se pretende sustituir a las personas, por lo que el aspecto del robot es muy parecido al brazo humano.

Consta de una base que está unido a un cuerpo y un brazo unido al cuerpo. El brazo puede estar descompuesto en antebrazo, brazo, muñeca y mano.

El brazo humano inspira para crear robots

Para poder conocer el estado de las variables del entorno utiliza sensores, que facilitan la información al ordenador, una vez analizada, realiza las actuaciones necesarias por medio de los actuadores.

Regresar al índice

4.1.- Sensores.

Constituyen el sistema de percepción del robot. Esto es, facilitan la información del mundo real para que los robots la interpreten.

Los más utilizados son:

Sensor de proximidad: Detecta la presencia de un objeto de tipo metálico o de otro tipo.

Sensores de proximidad

Sensor de Temperatura: Capta la temperatura del ambiente, de un objeto o de un punto determinado.

Termistores

Sensores magnéticos (brújula digital): Capta la variación de campos magnéticos. Entre sus aplicaciones está la orientación de robots autónomos, exploradores, etc.

Sensores magnéticos

Sensores táctiles, piel robótica: Sirven para detectar la forma y el tamaño de los objetos que el robot manipula. La piel robótica se trata de un conjunto de sensores de presión montados sobre una superficie flexible.

Sensor de piel robótica

Sensores de iluminación: Capta la intensidad luminosa, el color de los objetos, etc. Es muy útil para la identificación de objetos. Es parte de la visión artificial y en numerosas ocasiones son cámaras.

Sensor CCD

Sensores de velocidad, de vibración (Acelerómetro) y de inclinación: Se emplean para determinar la velocidad de actuación de las distintas partes móviles del propio robot o cuando se produce una vibración. También se detecta la inclinación a la que se encuentra con respecto a la gravedad el robot o una parte de él.

Sensor acelerómetro

Sensores de presión: Permiten controlar la presión que ejerce la mano del robot al coger un objeto.

Sensor de presión

Sensores de sonido: Se trata de un micrófono con el que poder oír los sonidos.

Sensores de sonido

Microinterruptores: Se trata de múltiples interruptores y finales de carrera muy utilizados.

Microinterruptores

Existen infinidad de sensores que se puede obtener en el mercado.

Regresar al índice

4.2.- Actuadores.

Son los encargados de realizar movimientos o cualquier tipo de actuación sobre el robot o sus herramientas.

Los actuadores suelen ser de tres tipos, eléctricos, neumáticos o hidráulicos.

Algunos actuadores son:

Sistema de impulsión del robot: Pueden utilizar motores eléctricos, servomotores, cilindros hidráulicos o neumáticos, u otros. Con ellos movemos las distintas partes del robot.

Motor de corriente alterna

Cilindros hidráulicos

Relés y contactores: Se utilizan para activar tensiones y corrientes en los circuitos de potencia. Por ejemplo para controlar un arco de soldadura.

Contactores

Electroválvulas: Con ellas se controlan los circuitos neumáticos e hidráulicos.

Electroválvula

Pinzas: Son las manos del robot, con ellas agarran los objetos.

Pinza del robot

Regresar al índice

4.3.- Tipos de robots industriales.

Los robots industriales componen una gran gama de tamaños y configuraciones. La configuración hace referencia a la forma física que le ha sido dada a los brazos. Podemos encontrar las siguientes configuraciones.

Robot cartesiano. Este tipo de robot utiliza tres dispositivos deslizantes perpendiculares entre si, para generar movimientos de acuerdo a los tres ejes cartesianos X, Y y Z.

Robot cartesiano

Robot cilíndrico. Se basa en una columna vertical que gira sobre la base. También tiene dos dispositivos deslizantes que pueden generar movimientos sobre los ejes Z e Y.

Robot cilíndrico

Robot esférico o polar. Utiliza un brazo telescópico que puede bascular en torno a un eje horizontal. Este eje telescópico está montado sobre una base giratoria. Las articulaciones proporcionan al robot la capacidad de desplazar el brazo en una zona esférica.

Robot esférico o polar

Robot de brazo articulado. Se trata de una columna que gira sobre la base. El brazo contiene una articulación, pero sólo puede realizar movimientos en un plano. En el extremo del brazo contiene una eje deslizante que se desplaza en el eje Z. El robot más común de este tipo se conoce como robot SCARA.

Robot de brazo articulado

Robot antropomórfico. Está constituido por dos componentes rectos que simulan el brazo o antebrazo humano, sobre una columna giratoria. Estos antebrazos están conectados mediante articulaciones que se asemejan al hombro y al codo.

Robot antropomórfico

Regresar al índice

4.4.- Otra clasificación de robots.

Atendiendo a su aspecto físico y a su funcionalidad, pueden clasificarse de la siguiente manera.

Poliarticulados. Son robots sedentarios, o sea que no se pueden desplazar, están diseñados para mover sus brazos y herramientas en un determinado espacio de trabajo. En este grupo se encuentran los manipuladores y algunos robots industriales.

Robot poliarticulado

Móviles. Son robots con gran capacidad de desplazamiento, acoplados a carros o plataformas. Estos robots aseguran el transporte de un sitio a otro de piezas. Están dotados de un cierto grado de inteligencia, lo que les permite sortear obstáculos.

Robot móvil

Nanorobots. Son pequeños robots capaces de cosas sorprendentes. Existen algunos que viajan por la sangre y son capaces de inyectar la cantidad precisa de droga en una célula. Se trata de robots experimentales.

Nanorobot, interactuando con un glóbulo rojo

Androides. Son robots que intentan reproducir la forma y los movimientos del ser humano. En la actualidad son poco evolucionados y con poca utilidad práctica.

Robot Asimo

Zoomórficos. Se caracterizan por imitar el sistema de locomoción de algunos seres vivos. Se encuentran el pleno desarrollo se utilizan para desplazarse sobre superficies accidentadas y con numerosos obstáculos. Su aplicación práctica tiene bastante interés en la exploración de otros planetas así como el estudio de volcanes, y entornos de difícil acceso.

Robot araña

Regresar al índice

5.- Control por ordenador.

El ordenador se ha convertido en una de las herramientas básicas, a la hora de controlar sistemas automáticos y robots.

La versatilidad, facilidad para reprogramarlos y un entorno gráfico amigable son algunas de las características que los hacen ideales para esta tarea.

Sólo es necesario una tarjeta controladora conectada al ordenador que hace de interface de enlace con el sistema automático o el robot y un software (programa) instalado en el ordenador que sea capaz de controlar la tarjeta, y con ello el robot.

Robot -tarjeta - ordenador

Algunos lenguajes como el C++, Visual C, etc. Son capaces de interactuar con este tipo de tarjetas, pero los fabricantes de tarjetas o robots tiene lenguajes específicos, que presentan ventajas de simplicidad y un entorno gráfico muy amigable.

Regresar al índice

5.1.- Tarjetas controladoras.

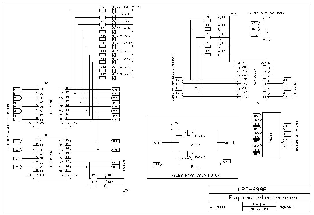
Existe gran número de tarjetas controladoras, pero aquí vamos a estudiar la tarjeta LPT-999E de DIDATEC, que suministran junto con el brazo robot MR-999E.

Su aspecto general es:

Tarjeta LPT-999E

Que consta de:

Alimentación externa de +5V. Para cuando no se conecta el robot.
Alimentación externa de +3V 0 -3V, si no se alimenta al robot con las pilas.
5 entradas digitales.
2 salidas digitales.
5 salidas para controlar a los 5 motores del robot.
Conexión al puerto paralelo de un computador.

Conectores de la tarjeta LPT-999E

El esquema electrónico de la tarjeta es el siguiente:

Esquema de la tarjeta LPT-999E

Cuando se utiliza con el robot, las salidas digitales dan tensiones entre 0 y +3V. Las salidas de motor dan tensiones entre +3V y -3V, que se utilizan para cambiar el sentido de giro del motor.

Si el motor tiene puestas las pilas no es necesario alimentar la placa, pero si no disponemos de pilas es necesario alimentar la placa con +3V y -3V en el conector dispuesto a tal fin.

Si la utilizamos sin el robot, podemos alimentarla a +5V y 0V. En este caso las salidas digitales dan tensiones entre 0 y +5V. Las salidas de motor también dan tensiones entre 0V y +5V.

Las cinco entradas digitales siempre funcionan de la misma manera, con tensiones superiores a 2 V se interpreta como un 1 y tensiones inferiores a 0,7V como un 0.

Regresar al índice

5.2.- Descripción del Robot educativo MR-999E.

El robot educativo MR-999E de DIDATEC consta de cinco motores de corriente continua que controlan sus movimientos.

M1 base
M2 hombro
M3 codo
M4 muñeca
M5 pinza

Motores del robot MR-999E

Dependiendo de la polaridad de estos motores se consigue el movimiento en una dirección u otra.

El robot no dispone de sensores de posición ni de ningún otro tipo por lo que se trata de un sistema de lazo abierto.

Para controlar el robot, existe un pequeño programa que lo controla fácilmente, el HobbyRobot el cuál paso a describir superficialmente, ya que se trata de una programa muy intuitivo y fácil de manejar.

En primer lugar debe conectarse la tarjeta al ordenador y al robot y después lanzarse el programa.

Lo primero que nos pide el programa es que conectemos la entrada 1 de la tarjeta a nivel alto para desactivar el "plug and play" del sistema operativo. Si no hacemos esto no lo desactiva y está molestándonos constantemente. Aunque en ocasiones a pesar de conectar la entrada a nivel alto no lo desactiva y molesta igualmente.

El aspecto general de software cuando lo ejecutamos es:

Programa HobbyRobot

Las opciones de que dispone el programa son:

Inicializa al robot.

Inicio. Lleva al robot al punto de inicio, (base a la izquierda, codo y hombro arriba, pinza cerrada).

Calibrar motores. Para realizar la calibración de los motores deben situarse en el extremo opuesto de su movimiento.

Robot interactivo. Permite mover los motores de forma manual

LPT1 o LPT2. Puerto en el que tenemos conectada la tarjeta y por tanto el robot.

Testear entradas. Nos muestra el estado de las entradas.

Desactivar PlugPlay.

Ejecutar. Ejecuta el programa.

Para. Detiene la ejecución del programa.

Ejecutar línea. Ejecuta una línea del programa. No continua con el programa.

Las funciones que se pueden utilizar para hacer los programas son:

Añadir una acción.

Cuando introducimos una línea de programa, el entorno nos muestra sobre que queremos actuar y nos ayuda a seleccionar el giro y el ángulo del motor.

Editar línea. Cuando estamos sobre una línea de programa, con este icono podemos modificarlo e incluso añadirle más ordenes que se ejecutaran a la vez.

Eliminar línea. Borra una línea de programa.

Repetir. Función para generar bucles.

Esperar ? Segundos. Introduce una temporización de segundos.

Si.. Sino.. Fin si. Introduce una estructura alternativa.

Sino. Crea un camino alternativo en caso de que no se cumpla la condición.

Etiqueta. Pone una etiqueta en el programa.

Salta a ... Salta el programa hasta la etiqueta que se le indique.

Desplaza una línea de programa hacia arriba.

Desplaza una línea de programa hacia abajo.

Nube de puntos. Nos ayuda para crear el recorrido que debe hacer el robot y lo transforma en líneas de programa.

Como ejemplo de programa podemos ver como quedará uno muy simple.

Programa ejemplo

Regresar al índice

5.3.- Fundamentos de programación.

Los programas que se confeccionan para controlar robots son bucles sin fin. Tienen un comienzo y no se detienen hasta que no apaguemos el robot.

Programa que controla a un robot

Para crear este programa existe una serie de fases que debemos seguir.

Las fases que comprende un proyecto de programación son:

Definición del problema.
Partición del problema.
Desarrollo de algoritmos.
Codificación.Depuración.
Testeo y validación.
Documentación.
Mantenimiento.

En un gran número de ocasiones no nos damos cuenta de que estamos resolviendo estas fases.

Veamos en que consisten cada una de ellas.

Definición del problema: comprende todos los datos y necesidades que conlleva el problema. Implica el desarrollo y la clarificación exacta de las especificaciones del problema.

Partición del problema: los problemas reales conllevan varias tareas, por lo que es mejor separarlas y solucionarlas por separado, para posteriormente unirlas.

Desarrollo de algoritmos: antes de continuar aclarar dos conceptos:

Procedimiento: es una secuencia de instrucciones y operaciones que pueden realizarse mecánicamente.

Algoritmo: es un procedimiento que siempre termina.

Para resolver el problema debemos crear los algoritmos que lo resuelven, un método es utilizar organigramas gráficos.

Codificación: consiste en convertir los algoritmos en un programa que se pueda interpretar por el ordenador.

Depuración: consiste en comprobar que se ha escrito correctamente el código del programa y que funciona con corrección.

Testeo y validación: comprobamos que el programa cumple con las especificaciones planteadas en el problema y lo resuelve correctamente.

En caso de no resolverse correctamente debe volverse a la etapa de desarrollo de algoritmos y debe modificarse, se continua nuevamente con la codificación, depuración y de nuevo el testeo hasta que resuelvan el problema correctamente.

Documentación: se trata de la memoria técnica donde quedan reflejados todos los pasos del programa y su codificación. También pueden crearse documentos explicativos de cómo se debe emplear el producto, o el programa.

Mantenimiento: es la actualización o modificación de aquellos programas que así lo requieran.

Organigramas

Son un método gráfico para obtener los algoritmos que resuelven los problemas.

Los símbolos que se pueden utilizar en un organigrama son:

Símbolos de los organigramas

Un ejemplo de organigrama es el de la suma de dos números.

Organigrama de la suma de dos números

Existen seis estructuras básicas para confeccionar programas. Todos los programas utilizan una combinación de ellas según lo que se pretende.

Estructura secuencial: Es una sucesión ordenada de funciones que se aplican una después de otra.

Estructura secuencial

Estructura repetitiva: Es un bucle que repite una o más funciones dependiendo de una condición.

Existen tres tipos:

- Mientras condición C hacer S. Se comprueba la condición C y si se cumple se realiza S. Puede que no se realice S nunca.

Estructura, mientras condición C hacer S

- Repetir S hasta condición C. Primero se hace S y se repite mientras se cumple C. Cuando deja de cumplirse C se termina el bucle. Como mínimo se hace una vez S.

Estructura, repetir S hasta condición C

- Hacer S hasta condición C. Se comprueba la condición C y si no se cumple se realiza S. Cuando se cumple S deja de repetirse el bucle.

Estructura hacer S hasta condición C

Estructura alternativa: En esta estructura dos o más funciones se excluyen mutuamente en función de una condición. Siempre se ejecuta uno de ellos.

Existen dos tipos:

- Si condición C hacer S1 en caso contrario hacer S2. Esta estructura propone hacer un tratamiento S1 si se cumple la condición C en caso contrario realiza S2.

Estructura si condición C hacer S1 en caso contrario S2

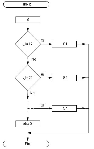
- Hacer (S1,S2,...,Sn) según I. Esta estructura proponer hacer una función (S1), u otra(S2), u otra (S3), etc. dependiendo del valor que toma una variable I.

Estructura hacer (S1,S2,...,Sn) según I

Regresar al índice

5.4.- Programación del Robot educativo MR-999E.

1ª actividad (estructura secuencial), vamos a realizar un programa que ponga en marcha la base del motor y la haga girar 10 grados a la derecha.

El organigrama será:

Organigrama, motor de la base gira a derechas 10 grados

El programa que resuelve la actividad anterior es:

Programa, motor de la base gira a derechas 10 grados

Se trata de un programa que finaliza una vez realizado.

2ª actividad (estructura repetitiva 1), vamos a realizar un programa que ponga en avance a la derecha la base si está activa la entrada 1.

El organigrama será:

Organigrama, la base gira a derechas si E1 activa

El programa que resuelve la actividad anterior es:

Programa, la base gira a derechas si E1 activa

Este programa finaliza si no está activa la entrada 1, por lo que debe estar activa antes de ejecutarse, o nunca se moverá la base del robot.

3ª actividad (estructura alternativa), vamos a realizar un programa que ponga en avance a la derecha la base si está activa la entrada 1 o en avance a la izquierda si no está activa la entrada 1.

El organigrama será:

Organigrama, la base gira según E1

El programa que resuelve la actividad anterior es:

Programa, la base gira según E1

Este programa ya no tiene fin, siempre se está moviendo la base a derechas o a izquierda. Para detenerlo necesitamos parar el programa.

4ª actividad (combinación de estructuras alternativas), vamos a realizar un programa que ponga en avance a la derecha la base si está activa la entrada 1 o en avance a la izquierda si está activa la entrada 2, y que esté esperando a que se active una de ellas siempre.

El organigrama será:

Organigrama, la base gira según E1 y E2

El programa que resuelve la actividad anterior es:

Programa, la base gira según E1 y E2

Se trata de un programa más funcional, movemos en una sentido u otro la base según activamos E1 o E2. Si no activamos ninguna de las entradas el programa espera hasta que se active alguna de ellas.

Regresar al índice

6.- Actividades.

1.- Indica las fases de evolución por los que ha pasado el los sistemas automáticos, desde los comienzos hasta ahora.

2.- ¿Cuántos tipos de sistemas de control existen?, ¿Cuáles son?.

3.- Pon un ejemplo de sistema en lazo abierto y otro de sistema en lazo cerrado.

4.- Explica como son y para qué sirven los siguientes sensores:

Sensor de proximidad, sensor de iluminación, sensor magnético, sensor de presión, piel robótica, sensor de sonido y Microinterruptores.

5.- ¿Qué es un actuador? Cita tres de ellos e indica cuál es su función.

6.- ¿Qué tipo de robot es este?

7.- ¿Qué diferencia existe entre un robot polar y uno antropomórfico?

8.- En un robot poliarticulado, ¿está previsto que se pueda desplazar de su sitio?.

9.- ¿Conoces algún robot zoomórfico?. Explica para que se utiliza.

10.- ¿Qué cosas son necesarias para conectar un ordenador con un robot y así controlarlo?

11.- Crea el organigrama que represente el siguiente algoritmo.

     a.- Toma un objeto.
     b.- Mira el color que tiene.
     c.- Si el color es verde déjalo en la bandeja derecha en caso contrario en la izquierda.
     d.- pasa hasta el apartado (a).

12.- Crea el organigrama que representa el siguiente algoritmo.

     a.- Mira el estado de la entrada 2.
     b.- Si la entrada 2 es 0 continua con el programa, en caso contrario gira el motor 2 un grado a derechas.
     c.- Mira el estado de la entrada 3.
     d.- Si la entrada 3 es 0 continua con el programa, en caso contrario gira el motor 2 un grado a izquierdas.
     e.- pasa hasta el apartado (a).

13.- Con ayuda del programa HobbyRobot, crea el programa que implementa el algoritmo anterior y pruébalo sobre el robot.

14.- Dado el organigrama siguiente crea el programa que implementa y pruébalo sobre el programa HobbyRobot.

15.- Dibuja el organigrama de un programa que realice una tarea 8 veces y después finalice.

16.- Dibuja el organigrama de un programa que primero realice una tarea, luego otra, luego la primera, alternado cada vez una tarea todo ello durante un número infinito de veces.

17.- Explica las diferencias entre los organigramas siguientes.

18.- Dado el programa siguiente dibuja su organigrama.

19.- Explica que hace el programa anterior y que pasará en el supuesto siguiente.

     a) Se activa la entrada 3 cuando el programa se encuentra ejecutando la línea 50.
     b) Se activa la entrada 5 cuando el programa se encuentra ejecutando la línea 70.
     c) Se desactiva la entrada 5 cuando el programa se encuentra ejecutando la línea 50.

20.- Dibuja el organigrama y el programa que resuelve el siguiente algoritmo.

     - La salida 2 está activa 2 segundos y luego está desactiva 1 segundo.
     - La salida 1 está activa 1 segundo y luego se desactiva 2 segundos.

Las dos condiciones anteriores deben cumplirse simultáneamente.

Regresar al índice