Autor: Antonio Bueno

Unidad didáctica:
"Neumática e hidráulica"




CURSO 4º ESO


Autor: Antonio Bueno

Unidad didáctica:
"Neumática e hidráulica"
ÍNDICE

1.-  Introducción.
2.-  Historia.
3.-  Propiedades de los fluidos, principios básicos.
   3.1.-  El aire comprimido.
      3.1.1.-  Fundamentos físicos.
   3.2.-  Fluidos hidráulicos.
4.-  Símbolos básicos.
5.-  Elementos básicos de un circuito neumático.
   5.1.-  Producción y distribución del aire comprimido.
   5.2.-  Elementos de trabajo: actuadores.
   5.3.-  Elementos de mando: válvulas.
6.-  Diseño de circuitos neumáticos.
7.-  Aplicaciones básicas.
8.-  Simulación de circuitos neumáticos.
9.-  Actividades.
1.- Introducción

Los sistemas neumáticos e hidráulicos se encuentran difundidos por todos los ámbitos, riego de campos, instalaciones de agua potable y de desechos, en los vehículos autopropulsados utilizados en el transporte, aire acondicionado, etc. Sin embargo es en la industria donde nos interesa conocer cual ha sido su implantación.

Regresar al índice

2.- Historia.

El fluido que utiliza la neumática es el aire comprimido, y es una de las formas de energía más antiguas utilizadas por el hombre.

Su utilización se remonta al Neolítico, cuando aparecieron los primeros fuelles de mano, para avivar el fuego de fundiciones o para airear minas de extracción de minerales.

Catapulta de aire comprimido

Hasta el siglo XVII, la utilización del aire a presión como energía, se realiza en algunas máquinas y mecanismos, como la catapulta de aire comprimido del griego KTESIBIOS, o la descripción en el siglo I de diversos mecanismos que son accionados por aire caliente.

A partir del siglo XVII, se comienza el estudio sistemático de los gases, y con ello, comienza el desarrollo tecnológico de las diferentes aplicaciones del aire comprimido.

Primera máquina neumática de Robert Boyle

En el siglo XVIII se construye el primer compresor alternativo, en el XIX, se utiliza como fuente energética para perforadoras de percusión, sistemas de correos, frenos de trenes, ascensores, etc.

A finales del siglo XIX, se deja de desarrollar debido a la competencia de otros tipos de energía (máquinas de vapor, motores y electricidad).

A finales de la Segunda Guerra Mundial, reaparece de nuevo la utilización a gran escala del aire comprimido como fuente de energía, debido, sobre todo, a las nuevas exigencias de automatización y racionalización del trabajo en las industrias.

Estando hoy en día ampliamente implantado en todo tipo de industrias.

Por otra parte el fluido que se utiliza en la hidráulica es el agua.

La utilización del agua data de muy antiguo. Se conocen obras riego que ya existían en la antigua Mesopotámica. En Nipur (Babilonia) existían colectores de agua negras, desde 3751 AC.

Rueda hidráulica

En Egipto también se realizaron grandes obras de riego, 25 siglos AC.

El primer sistema de abastecimiento de agua estaba en Asiría año 691 AC.

El tratado sobre el cuerpo flotante de Arquímedes y algunos principios de Hidrostática datan de 250 AC.

La bomba de Pitón fue concebida 200 AC.

Los grandes acueductos romanos empiezan a construirse por todo el imperio a partir del 312 AC.

En el siglo XVI, la atención de los filósofos se centra en los proyectos de fuentes de agua monumentales. Contribuyen en este sentido Leonardo Da vinci, Galileo, Torricelles, y Bernoulli.

Hidráulica ilustrada

A Euler se deben las primeras ecuaciones para el movimiento de fluidos.

En el siglo XIX, con el desarrollo de tubos de hierro fundido, capaces de resistir presiones internas elevadas, la hidráulica tuvo un desarrollo rápido y acentuado.

Sin embargo hoy en día se utiliza el aceite en buena parte de aplicaciones industriales, ya que produce menor corrosión sobre los conductos y además se puede utilizar como refrigerante. Las aplicaciones son muy variadas.

En el transporte: excavadoras, tractores, grúas, en frenos, suspensiones, etc.

En la industria, para controlar, impulsar, posicionar, y mecanizar elementos propios de la línea de producción.

Regresar al índice

3.- Propiedades de los fluidos, principios básicos.

Algunas magnitudes que definen a los fluidos son la presión, el caudal y la potencia.

Presión: se define como la relación entre la fuerza ejercida sobre la superficie de un cuerpo.

Presión = Fuerza / Superficie

Las unidades que se utilizan para la presión son:

1 atmósfera ≈ 1 bar = 1 kg/cm2 = 105 pascal

Caudal: es la cantidad de fluido que atraviesa la unidad de superficie en la unidad de tiempo.

Caudal = Volumen / tiempo

Potencia: es la presión que ejercemos multiplicada por el caudal.

W(potencia) = Presión * Caudal

Regresar al índice

3.1.- El aire comprimido.

El aire comprimido que se emplea en la industria procede del exterior. Se comprime hasta alcanzar una presión de unos 6 bares de presión, con respecto a la atmosférica (presión relativa).

Presión absoluta = P. atmosférica + P. relativa

Presión absoluta, relativa y atmosférica

Los manómetros indican el valor de presión relativa que estamos utilizando.

Para su estudio se considera como un gas perfecto.

Las ventajas que podemos destacar del aire comprimido son:

- Es abundante (disponible de manera ilimitada).
- Transportable (fácilmente transportable, además los conductos de retorno son innecesarios).
- Se puede almacenar (permite el almacenamiento en depósitos).
- Resistente a las variaciones de temperatura.
- Es seguro, antideflagrante (no existe peligro de explosión ni incendio).
- Limpio (lo que es importante para industrias como las químicas, alimentarias, textiles, etc.).
- Los elementos que constituyen un sistema neumático, son simples y de fácil comprensión).
- La velocidad de trabajo es alta.
- Tanto la velocidad como las fuerzas son regulables de una manera continua.
- Aguanta bien las sobrecargas (no existen riesgos de sobrecarga, ya que cuando ésta existe, el elemento de trabajo simplemente para sin daño alguno).

Las mayores desventajas que posee frente a otros tipos de fuente de energía, son:

- Necesita de preparación antes de su utilización (eliminación de impurezas y humedad).
- Debido a la compresibilidad del aire, no permite velocidades de los elementos de trabajo regulares y constantes.
- Los esfuerzos de trabajo son limitados (de 20 a 30000 N).
- Es ruidoso, debido a los escapes de aire después de su utilización.
- Es costoso. Es una energía cara, que en cierto punto es compensada por el buen rendimiento y la facilidad de implantación.

La composición aproximada en volumen es:

N2=> 78,084%; O2=> 20,9476%; CO2 => 0,0314%; Ne => 0,00181%; He => 0,000524%; CH4 => 0,0002%; SH4 => de 0 a 0,0001%; H2 => 0,00005% y una serie de componentes minoritarios (Kr, Xe, O3) => 0,0002%.

Regresar al índice

3.1.1.- Fundamentos físicos.

Las relaciones matemáticas utilizadas para presiones del aire inferior a los 12 bares, son las correspondientes a las de los gases perfectos.

La ley de los gases perfectos relaciona tres magnitudes, presión (P), volumen (V) y temperatura (T), mediante la siguiente fórmula:

P * V =m * R * T

Donde :
P = presión (N/m2).
V = volumen especifico (m3/kg) .
m = masa (kg).
R = constante del aire (R = 286,9 J/kg*ºk).
T = temperatura (ºk)

Las tres magnitudes pueden variar.

- Si mantenemos constante la temperatura tenemos:

P * V = cte.

Luego en dos estados distintos tendremos:

P1 * V1 = P2 * V2

P1 / P2 = V2 /V1

De manera que cuando modificamos la presión de un recipiente que contiene aire comprimido, se ve modificado el volumen y a la inversa si modificamos su volumen se ve modificada la presión a la que se encuentra, a esta ley se la conoce como ley de Boyle-Mariotte.

Ley de Boyle-Mariotte

- Si ahora mantenemos la presión constante tenemos.

V/T = cte.

Luego en dos estados distintos tendremos:

V1/T1 = V2/T2

Ahora cuando modificamos el volumen se ve modificada la temperatura y a la inversa una variación de la temperatura hace que varíe el volumen, a esta ley se la conoce como ley de Gay-Lussac.

- Si ahora mantenemos el volumen constante tenemos.

P/T = cte.

Luego en dos estados distintos tendremos:

P1/T1 = P2/T2

En este caso cuando modificamos la presión se ve modificada la temperatura y a la inversa una variación de la temperatura hace que varíe la presión, y esta es la ley de Charles.

Por ejemplo:

Si tenemos una jeringuilla que contiene 0,02 m3 de aire comprimido a presión 1 atmósfera, ¿cuál será el volumen que ocupa dicho aire si sometemos dicha jeringuilla a una presión de 2 atmósferas?

Regresar al índice

3.2.- Fluidos hidráulicos.

Cuando el fluido que utilizamos no es el aire, si no un líquido que no se puede comprimir, agua, aceite, u otro. Los fundamentos físicos de los gases se cumplen considerando el volumen constante.

Una consecuencia directa de estos fundamentos es el Principio de Pascal, que dice así: Cuando se aplica presión a un fluido encerrado en un recipiente, esta presión se transmite instantáneamente y por igual en todas direcciones del fluido.

Principio de Pascal

Como aplicación podemos ver como dos pistones unidos mediante un fluido encerrado, si le aplicamos una fuerza (F1) a uno de ellos, se transmite la presión hasta el otro, y produce una fuerza (F2) en el segundo. Las ecuaciones que rigen este principio son:

P = F1/S1 y P = F2/S2

Donde: P = presión, F = fuerza, S = superficie.

Por lo que podemos poner

F1/S1 = F2/S2

otra forma de expresarlo es:

F1*S2 = F2 * S1

Nos dice que en un pistón de superficie pequeña cuando aplicamos fuerza, esta se transmite al pistón de superficie grande amplificada o a la inversa.

Por ejemplo:

Disponemos de dos pistones unidos por una tubería de secciones S1= 10 mm2 y S2 = 40 mm2. Si necesitamos levantar un objeto con una fuerza F2= 40 N sobre el pistón segundo. ¿Cuál será la fuerza F1, que debemos realizar sobre el pistón primero?

El fluido que normalmente se utiliza es aceite y los sistemas se llaman oleohidráulicos.

Las ventajas de la oleohidráulica son:

- Permite trabajar con elevados niveles de fuerza o momentos de giro.
- El aceite empleado en el sistema es fácilmente recuperable.
- La velocidad de actuación es fácilmente controlable.
- Las instalaciones son compactas.
- Protección simple contra sobrecargas.
- Pueden realizarse cambios rápidos de sentido.

Desventajas de la oleohidráulica

- El fluido es más caro.
- Se producen perdidas de carga.
- Es necesario personal especializado para la manutención.
- El fluido es muy sensible a la contaminación.

Regresar al índice

4.- Símbolos básicos.

La norma UNE-101 149 86, se encarga de representar los símbolos que se deben utilizar en los esquemas neumáticos e hidráulicos.

La norma establece las reglas de representación de las válvulas así como su designación.

Los símbolos más utilizados son los siguientes:

Conexiones

Símbolo Descripción

Unión de tuberías.

Cruce de tuberías.

Fuente de presión, hidráulica, neumática.

Escape sin rosca.

Escape con rosca.

Retorno a tanque.

Unidad operacional.

Unión mecánica, varilla, leva, etc.



Medición y mantenimiento

Símbolo Descripción

Manómetro.

Termómetro.

Indicador óptico. Indicador neumático.

Filtro.

Filtro con drenador de condensado, vaciado manual.

Lubricador.

Unidad de mantenimiento, filtro, regulador, lubricador. Gráfico simplificado.



Bombas, compresores y motores

Símbolo Descripción

Bomba hidráulica de flujo unidireccional.

Compresor para aire comprimido.

Depósito hidráulico.

Depósito neumático.

Motor neumático 1 sentido de giro.

Motor neumático 2 sentidos de giro.

Cilindro basculante 2 sentidos de giro.

Motor hidráulico 1 sentido de giro.

Motor hidráulico 2 sentidos de giro.



Mecanismos (actuadores)

Símbolo Descripción

Cilindro de simple efecto, retorno por esfuerzos externos.

Cilindro de simple efecto, retorno por muelle.

Cilindro de doble efecto, vástago simple.

Cilindro de doble efecto, doble vástago.

Pinza de apertura angular de simple efecto.

Pinza de apertura paralela de simple efecto.

Pinza de apertura angular de doble efecto.

Pinza de apertura paralela de doble efecto.



Accionamientos

Símbolo Descripción

Mando manual en general, pulsador.

Botón pulsador, seta, control manual.

Mando con bloqueo, control manual.

Mando por palanca, control manual.

Muelle, control mecánico.

Rodillo palpador, control mecánico.

Presurizado neumático.

Presurizado hidráulico.



Válvulas direccionales

Símbolo Descripción

Válvula 3/2 en posición normalmente cerrada.

Válvula 4/2.

Válvula 4/2.

Válvula 5/2.

Válvula 5/3 en posición normalmente cerrada.

Válvula 5/3 en posición de escape.



Válvulas de control

Símbolo Descripción

Válvula de bloqueo (antirretorno).

Válvula O (OR). Selector.

Válvula de escape rápido, Válvula antirretorno.

Válvula Y (AND).

Válvula estranguladora unidireccional. Válvula antirretorno de regulación regulable en un sentido.

Eyector de vacío. Válvula de soplado de vacío.

Un ejemplo de circuito completo con los símbolos normalizados es el siguiente.

Circuito neumático

Contiene una toma de presión, unidad de mantenimiento, escape con rosca, válvula 3/2 activa de forma manual con bloqueo y retorno por muelle, cilindro de simple efecto con retorno por muelle y todos ellos unidos por tuberías.

Regresar al índice

5.- Elementos básicos de un circuito neumático.

Los circuitos oleohidráulicos necesitan de un tanque donde retornar el fluido. Con el objeto de simplificar el estudio nos ceñiremos a los elementos neumáticos.

Los elementos básicos de un circuito neumático son:

· El generador de aire comprimido, es el dispositivo que comprime el aire de la atmósfera hasta que alcanza la presión de funcionamiento de la instalación. Generalmente se asocia con un tanque donde se almacena el aire para su posterior utilización.

· Las tuberías y los conductos, a través de los que se canaliza el aire para que llegue a todos los elementos.

· Los actuadores, como cilindros y motores, que son los encargados de transformar la presión del aire en trabajo útil.

· Los elementos de mando y control, como las válvulas distribuidoras, se encargan de permitir o no el paso del aire según las condiciones preestablecidas.

Regresar al índice

5.1.- Producción y distribución del aire comprimido.

Para la producción se utilizan los compresores. Estos se pueden clasificar en dos tipos, de émbolo o rotativos.

· Compresores de émbolo, son los más utilizados debido a su flexibilidad de funcionamiento.

Compresor de émbolo

El funcionamiento de este tipo de compresores es muy parecido al del motor de un automóvil. Un eje, mediante una biela y una manivela produce el movimiento alternativo de un pistón. Al bajar el pistón se introduce el aire. Cuando ha bajado totalmente se cierra la válvula de admisión y comienza a subir el pistón y con ello la compresión del aire. Cuando este aire se ha comprimido hasta el máximo, la válvula de escape se abre y sale el aire a presión.

Generalmente con una sola etapa se obtiene poca presión por lo que suelen concatenarse varias etapas para obtener mayores presiones.

· Compresores rotativos, consiguen aumentar la presión mediante el giro de un rotor. El aire se aspira y se comprime en la cámara de compresión gracias a la disminución del volumen que ocupa el aire. Los hay de paletas, de tornillo y el turbocompresor.

Compresor de paletas:

Son muy silenciosos y proporcionan un nivel de caudal prácticamente constante.

Compresor de paletas

La compresión se efectúa como consecuencia de la disminución del volumen provocada por el giro de una excéntrica provista de paletas radiales extensibles que ajustan sobre el cuerpo del compresor.

Compresor de husillo o Roots:

Son caros aunque pueden suministrar aire a mayor presión que los anteriores.

Compresor de husillo o Roots

Emplea un doble husillo de forma que toma el aire de la zona de aspiración y lo comprime al reducirse el volumen en la cámara creada entre ellos y el cuerpo del compresor.

Compresor de tornillo:

Son caros, silenciosos y tienen un desgaste muy bajo.

Compresor de tornillo

Se basa en el giro de dos tornillos helicoidales que comprimen el aire que ha entrado en su interior.

Turbocompresor:

Proporciona una presión reducida pero un caudal muy elevado. No suelen utilizarse en aplicaciones neumáticas industriales.

Turbocompresor axial

Las álabes recogen el aire de entrada y lo impulsan hacia la salida aumentando su presión.

Símbolo del compresor

La mayor parte de los compresores suministran un caudal discontinuo de aire, de manera que se debe almacenar en un depósito. El depósito a demás sirve para evitar que los compresores estén en funcionamiento constantemente, incluso cuando no se necesita gran caudal de aire, también ayudan a enfriar el aire. Los depósitos generalmente disponen de manómetro que indica la presión interior, una válvula de seguridad que se dispara en caso de sobrepresiones y una espita para el desagüe de las condensaciones que se producen en el interior del depósito.

Símbolo del depósito

Compresor con su depósito

Para transportar el aire es necesario utilizar conductores. Los conductores utilizados son tuberías metálicas o de polietileno de presión. El diámetro de las tuberías depende de las necesidades de caudal que requiere la instalación, teniendo en cuenta la caída de presión producida por las pérdidas y la longitud de las tuberías.

Tubo de polietileno de presión

Generalmente entre el depósito y el circuito se suele incluir una unidad de mantenimiento que cuenta con un regulador de presión, un filtro y un lubricador de aire.

Símbolo de la unidad de mantenimiento

Foto de la unidad de mantenimiento

Regresar al índice

5.2.- Elementos de trabajo: actuadores.

Los actuadores se pueden clasificar en dos tipos lineales y rotativos.

Entre los actuadores lineales destacan los cilindros.

Los cilindros se emplean cuando se desea un movimiento rectilíneo alternativo. Pueden utilizarse para desplazar objetos, para mover brazos de robots, etc. Los más conocidos son los de simple efecto y los de doble efecto.

Cilindro de simple efecto: se trata de un tubo cilíndrico cerrado dentro del cual hay un émbolo unido a un vástago que se desplaza unido a él. Por un extremo hay un orificio para entrar o salir el aire y en el otro está albergado un muelle que facilita el retorno del vástago.

Este tipo de cilindro trabaja en un solo sentido, cuando el aire entra en él. El retroceso y desalojo del aire se produce por la fuerza del melle que está albergado en el interior del cilindro.

La fuerza de empuje que realiza hacia fuera el vástago corresponde con la fórmula.

Fuerza = Presión del aire * Superficie del émbolo - Fuerza del muelle

Cilindro de simple efecto retorno por muelle

Símbolo del cilindro de simple efecto retorno por muelle

Foto de un cilindro de simple efecto retorno por muelle

Cilindro de doble efecto: se trata de un tubo cilíndrico cerrado con un diseño muy parecido al cilindro de simple efecto, pero sin el muelle de retorno, el retorno se hace por medio de otra entrada de aire.

Este tipo de cilindro trabaja en los dos sentidos, cuando el aire entra en él produce fuerza y desaloja el aire que está en el otro compartimento. El retroceso y desalojo del aire se produce cuando el aire entra por el otro orificio.

Cilindro de doble efecto

Símbolo del cilindro de doble efecto

Foto de un cilindro de doble efecto

La fuerza de empuje que realiza hacia fuera el vástago corresponde con la fórmula.

Fuerza = Presión del aire * Superficie del émbolo

La fuerza de empuje de retroceso que realiza hacia dentro el vástago corresponde con la fórmula.

Fuerza = Presión del aire * (Superficie del émbolo - Superficie del vástago)

De manera que la fuerza que podemos obtener de retorno es menor que la de empuje hacia fuera.

Por ejemplo:

Disponemos de un cilindro de simple efecto al que le aplicamos una presión de 600.000 Pa, si la superficie que tiene el émbolo es de 10 cm2 y la fuerza que realiza el muelle de retorno es de 20 N. ¿Cuál será la fuerza F1, que puede realizar el vástago?

Otro ejemplo:

¿Cuál será la fuerza máxima de empuje y de retroceso de un cilindro de doble efecto que tiene los siguientes datos, si le aplicamos en ambos casos una presión de 300.000 Pa?

Superficie del émbolo = 10 cm2.

Superficie del vástago = 1 cm2.

Los actuadores rotativos se utilizan para hacer girar objetos o máquinas herramientas, motor de una taladradora, atornillar y destornillar, etc. También se utilizan los cilindros basculantes para producir movimientos circulares alternativos.

Motor de paletas: genera movimiento rotativo continuo. El aire entra por una parte y hace que giren las paletas, la herramienta se encuentra sujeta sobre el eje de giro. Se trata del motor neumático más utilizado, puede dar una potencia de hasta 20 CV y velocidades desde 3000 a 25000 rpm.

Motor de paletas

Símbolo del motor de un sentido de giro

Motor de paletas de dos sentidos de giro

Símbolo del motor de dos sentidos de giro

Cilindro basculante: genera movimiento alternativo en una dirección u otra. Se trata de un cilindro con dos entradas de aire que hacen mover una paleta que contiene un eje de giro al cual está sujeto el objeto que queremos mover, por ejemplo un limpia parabrisas.

Cilindro basculante

Símbolo del cilindro basculante

Regresar al índice

5.3.- Elementos de mando: válvulas.

Con el objeto de controlar la circulación del aire en una dirección u otra se necesitan elementos de mando y control. Algunos de estos se describen a continuación:

Válvula 3/2: Una de sus principales aplicaciones es permitir la circulación de aire hasta un cilindro de simple efecto, así como su evacuación cuando deja de estar activado.

A continuación se ve su constitución interna. Se trata de una válvula activa por un pulsador y retorno por un muelle. En estado de reposo, permite que el aire pase del terminal 2 hasta el 3 y que no pueda entrar por el 1. Cuando la activamos, el aire puede pasar del terminal 1 al 2 y no puede pasar por el 3.

Válvula 3/2 normalmente cerrada

Foto de una válvula 3/2 normalmente cerrada

Válvula 5/2: Una de sus principales aplicaciones es controlar los cilindros de doble efecto.

A continuación se ve su constitución interna. Se trata de una válvula activa por un pulsador y retorno por muelle. En estado de reposo, permite la circulación de aire entre los terminales 4 y 5, y entre 1 y 2, el terminal 3 está bloqueado. Cuando la activamos, permite la circulación de aire entre los terminales 1 y 4, y entre 2 y 3, ahora el terminal 5 se encuentra bloqueado.

válvula 5/2

Foto de una válvula 5/2 activa manual, retorno por muelle

Foto de una válvula 5/2 activa y retorno por aire

El modelo más utilizado de este tipo de válvula es el activo y retorno con aire.

Válvula OR (O): Se trata de una válvula que implementa la función OR, esto es, cuando penetra el aire por cualquiera de sus entradas hace que este salga por la salida. Se utiliza para activar cilindros desde dos lugares distintos.

válvula OR

Símbolo de la válvula OR

Foto de una válvula OR

Válvula AND (Y): Se trata de una válvula que implementa la función AND, esto es, sólo permite pasar el aire a la salida cuando hay aire con presión por las dos entradas a la vez. Se utiliza para hacer circuitos de seguridad, el cilindro sólo se activará cuando existe presión en las dos entradas.

válvula AND

Símbolo de la válvula AND

Foto de una válvula AND

Válvula antirretorno: Se encarga de permitir el paso del aire libremente cuando circular desde el terminal 2 al 1. Mientras que no permite circular el aire desde el terminal 1 al 2.

válvula antirretorno

Válvula estranguladora unidireccional: Se encarga de permitir el paso del aire libremente cuando circular desde el terminal 2 al 1. Mientras que estrangula el aire cuando circula desde el terminal 1 al 2. Se utiliza para hacer que los cilindros salgan o entren más lentamente.

válvula estranguladora unidireccional

Foto de una válvula estranguladora unidireccional

Regresar al índice

6.- Diseño de circuitos neumáticos.

Cuando se representa un circuito neumático la colocación de cada elemento debe ocupar una posición en el esquema según realice una tarea u otra. El esquema se divide en varios niveles que nombrados de arriba a bajo son:

· Actuadores.

· Elementos de control.

· Funciones lógicas.

· Emisores de señal, señales de control.

· Toma de presión y unidad de mantenimiento.

Un mismo elemento, puede hacer varias funciones y no existir todos los niveles.

Niveles de los esquemas neumáticos

Por otra parte, cada elemento debe tener una numeración así como cada una de sus conexiones con arreglo a la siguiente norma:

Designación de componentes Números
Alimentación de energía 0.
Elementos de trabajo 1.0, 2.0, etc.
Elementos de control o mando .1
Elementos ubicados entre el elemento de mando y el elemento de trabajo .01, .02, etc.
Elementos que inciden en el movimiento de avance del cilindro .2, .4, etc.
Elementos que inciden en el movimiento de retroceso del cilindro .3, .5, etc.


Designación de conexiones Letras Números
Conexiones de trabajo A, B, C ... 2, 4, 6 ...
Conexión de presión, alimentación de energía P 1
Escapes, retornos R, S, T ... 3, 5, 7 ...
Descarga L  
Conexiones de mando X, Y, Z ... 10,12,14 ...


Por ejemplo: La representación completa de las válvulas puede ser:

Válvula 3/2 pilotada por presión.
Válvula 5/2 pilotada por presión.

Regresar al índice

7.- Aplicaciones básicas.

A continuación se representan algunas aplicaciones básicas que ayudarán a entender los circuitos neumáticos.

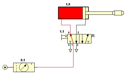
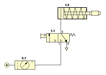
1.- Control de un cilindro de simple efecto.

Control de un cilindro de simple efecto

Cilindro de simple efecto activo

Los elementos que componen este circuito son:

0.1 - Unidad de mantenimiento.

1.1 - Válvula 3/2 con enclavamiento.

1.0 - Cilindro de simple efecto.

En el estado de reposo, el aire sale de la unidad de mantenimiento hasta la válvula 3/2 sin superarla. Cuando activamos la válvula el aire llega hasta el cilindro de simple efecto y hace que se desplace el vástago. Cuando desenclavamos la válvula el muelle la hace retornar y el cilindro de simple efecto vuelve a su posición inicial expulsando el aire a través del orificio 3 de la válvula 3/2.

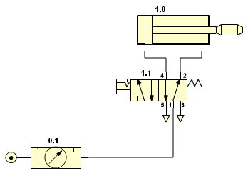
2.- Pulsador con enclavamiento y cilindro de doble efecto.

Cilindro de doble efecto

Cilindro de doble efecto activo

Cilindro de doble efecto retorno

Los elementos que componen este circuito son:

0.1 - Unidad de mantenimiento.

1.1 - Válvula 5/2 con enclavamiento.

1.0 - Cilindro de doble efecto.

En el estado de reposo, el aire sale de la unidad de mantenimiento hasta la válvula 5/2, entrando en el cilindro y haciendo que este, se encuentre retraído. Cuando se activa la válvula 5/2, el aire entra por la parte inferior del cilindro y hace que salga el vástago. Cuando se desactiva la válvula 5/2, el vástago vuelve a su estado de reposo impulsado por el aire.

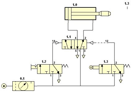
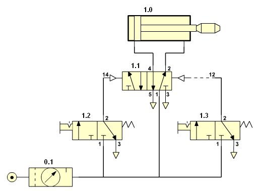
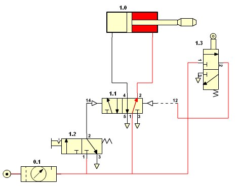
3.- Pulsador de avance y de retroceso, con cilindro de doble efecto.

Cilindro de doble efecto con pulsador de avance y de retroceso

Cilindro de doble efecto con pulsador de avance y de retroceso, en avance

Cilindro de doble efecto con pulsador de avance y de retroceso, en retroceso

Los elementos que componen este circuito son:

0.1 - Unidad de mantenimiento.

1.1 - Válvula 5/2 activa y retorno por presión.

1.2 - Válvula 3/2 con enclavamiento, para el avance.

1.3 - Válvula 3/2 con enclavamiento, para el retorno.

1.0 - Cilindro de doble efecto.

En el estado de reposo, el cilindro se encuentra retraido, cuando se activa la válvula 1.2 el aire llega hasta la entrada 14 de la válvula 1.1 y la activa. Ésta conduce el aire hasta el cilindro hace avanzar, al vástago.

Dejamos de pulsar la válvula 1.2, y el cilindro permanece en este estado.

Cuando activamos la válvula 1.3, ésta conduce el aire hasta la entrada 12 de la válvula 1.1, y hace que el vástago se retraiga.

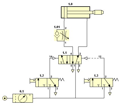
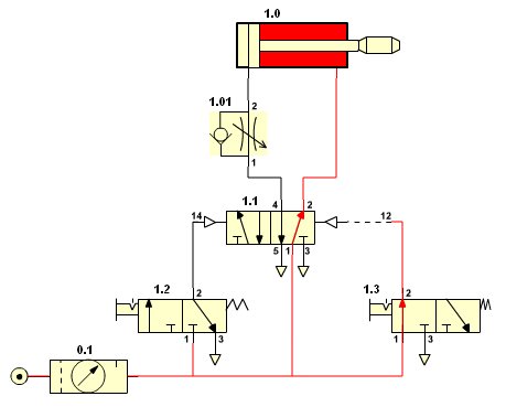
4.- Utilización de la válvula estranguladora de caudal.

La válvula estranguladora unidireccional de caudal se utiliza para hacer que el aire abandone al cilindro lentamente, y así hacer que el retroceso o el avance del vástago se realice lentamente.

Cilindro de doble efecto con regulación de velocidad en el retorno

Cilindro de doble efecto con regulación de velocidad en el retorno, avance

Cilindro de doble efecto con regulación de velocidad en el retorno, retroceso

Los elementos que componen este circuito son:

0.1 - Unidad de mantenimiento.

1.1 - Válvula 5/2 activa y retorno por presión.

1.2 - Válvula 3/2 con enclavamiento, para el avance.

1.3 - Válvula 3/2 con enclavamiento, para el retorno.

1.0 - Cilindro de doble efecto.

1.01 - Válvula estranguladora de caudal.

Cuando se activa la válvula 1.2, el aire llega hasta el cilindro por la válvula estranguladora 1.01, pero esta no opone ninguna resistencia al paso del aire y el vástago sale con total normalidad.

Cuando se pulsa la válvula 1.3 para que retorne, el aire que abandona al cilindro por la válvula 1.01, sale por la estrangulación y hace que el vástago retorne lentamente.

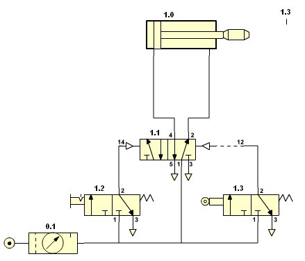
5.- Utilización de un final de carrera.

Cilindro de doble efecto con retorno automático por final de carrera

Cilindro de doble efecto con retorno automático por final de carrera, retornando

Cilindro de doble efecto con retorno automático por final de carrera, simulación

Los elementos que componen este circuito son:

0.1 - Unidad de mantenimiento.

1.1 - Válvula 5/2 activa y retorno por presión.

1.2 - Válvula 3/2 con enclavamiento, para el avance.

1.3 - Válvula 3/2 con final de carrera, para el retorno.

1.0 - Cilindro de doble efecto.

El funcionamiento es el mismo que la aplicación 3, pero el retorno se produce cuando el vástago llega hasta el final de carrera 1.3 de la válvula 1.3, de forma automática.

Con el simulador de PortalESO, se puede realizar la simulación colocando la válvula 1.3 junto al vástago del cilindro.

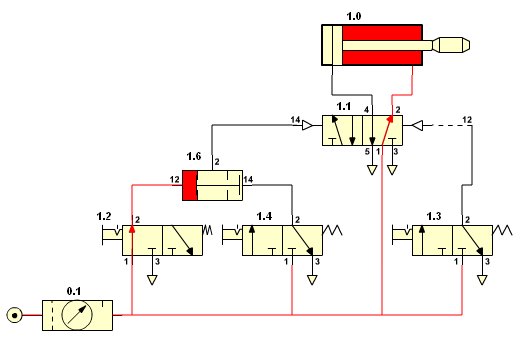
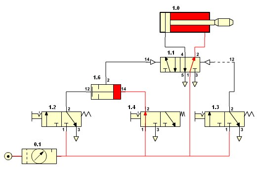
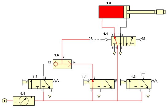
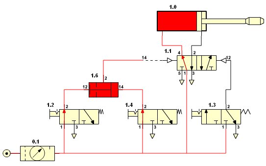
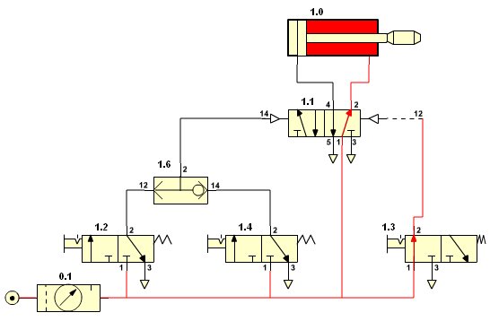
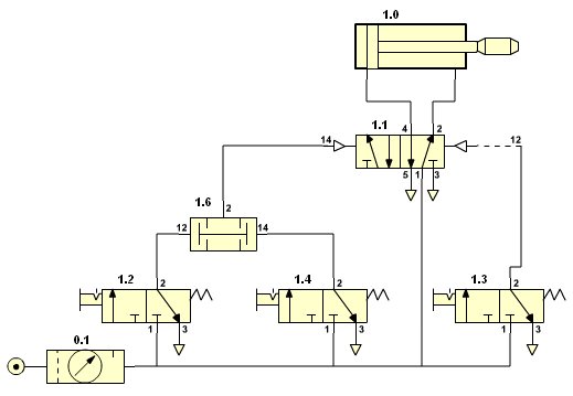
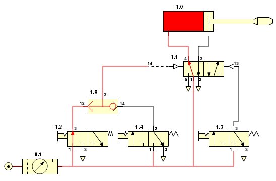
6.- La puerta OR.

Cilindro de doble efecto con una puerta OR para el avance

Cilindro de doble efecto con una puerta OR para el avance, activo

Cilindro de doble efecto con una puerta OR para el avance, activo

Cilindro de doble efecto con una puerta OR para el avance, activo

Cilindro de doble efecto con una puerta OR para el avance, retorno

Los elementos que componen este circuito son:

0.1 - Unidad de mantenimiento.

1.1 - Válvula 5/2 activa y retorno por presión.

1.2 - Válvula 3/2 con enclavamiento, para el avance.

1.4 - Válvula 3/2 con enclavamiento, para el avance.

1.3 - Válvula 3/2 con enclavamiento, para el retorno.

1.6 - Válvula OR.

1.0 - Cilindro de doble efecto.

Cuando se pulsa la válvula 1.2 o 1.4, o las dos, se hace que avance el cilindro. Si no están pulsadas ninguna de las dos, y pulsamos la válvula 1.3, el cilindro retorna.

La válvula 1.6 implementa la función OR.

7.- La puerta AND.

Cilindro de doble efecto con una puerta AND para el avance

Cilindro de doble efecto con una puerta AND para el avance

Cilindro de doble efecto con una puerta AND para el avance

Cilindro de doble efecto con una puerta AND para el avance, activo

Cilindro de doble efecto con una puerta AND para el avance, retorno

Los elementos que componen este circuito son:

0.1 - Unidad de mantenimiento.

1.1 - Válvula 5/2 activa y retorno por presión.

1.2 - Válvula 3/2 con enclavamiento, para el avance.

1.4 - Válvula 3/2 con enclavamiento, para el avance.

1.3 - Válvula 3/2 con enclavamiento, para el retorno.

1.6 - Válvula AND.

1.0 - Cilindro de doble efecto.

Cuando se pulsa la válvula 1.2 y la 1.4 las dos a la vez, se hace que avance el cilindro. Si sólo está pulsada una o ninguna de las dos, el cilindro no avanza. Si en esta situación pulsamos la válvula 1.3, el cilindro retorna.

La válvula 1.6 implementa la función AND.

Regresar al índice

8.- Simulación de circuitos neumáticos.

Los simuladores de neumática son muy útiles por que nos ayudan a comprender el funcionamiento de los circuitos neumáticos.

En la actualidad hay muchos en el mercado, pero su elevado coste los hace de difícil adquisición.

Un simulador comercial es el Automation Studio, el aspecto de este simulador es:

Aspecto del simulador Automation Studio

Dispone de muchas posibilidades, tanto en el diseño como a la hora de la simulación. Su utilización excede el objetivo de esta unidad.

Existe otro simulador de libre utilización que permite simular pequeños circuitos neumáticos. Si el circuito es muy grande en ocasiones no funciona bien.

Se encuentra en la web educativa PortalESO (Portal Educativo) situada en la url www.portaleso.com, en la asignatura de tecnología, sección neumática. Su aspecto es:

Aspecto del simulador de PortalESO (Portal Educativo)

Los distintos componentes se pueden desplazar hasta el área de trabajo, y allí con ayuda del ratón situándonos sobre el terminal, aparece un punto rojo indicando que puede salir el conducto para unir los terminales hasta completar el esquema.

Montando el esquema en el simulador de PortalESO

Una vez completado se puede ver u ocultar su numeración y realizar la simulación del circuito.

Numerando el esquema en el simulador de PortalESO

La simulación del esquema en el simulador de PortalESO

Para poder quitar o añadir nuevos elementos la simulación debe estar detenida. Y puede limpiare todo el área de simulación o eliminar tanto conductos como componentes.

Regresar al índice

9.- Actividades.

1.- Un pistón cerrado que contiene aire, de volumen 30 mm3 sometido a una presión de 300000 Pascales ¿Qué volumen tendrá si incrementamos su presión a 500000 Pascales?.

2.- En una prensa hidráulica, podemos realizar una fuerza máxima de 50 N, si la sección de los pistones son de 50 cm2 y 200 cm2. ¿ Cuál es la fuerza máxima que podemos obtener en el segundo pistón?.

3.- Calcula la fuerza que ejerce un vástago de un cilindro de simple efecto si la fuerza de retroceso del muelle es de 10 N, la sección del émbolo es de 7 cm2, y está sometido a una presión de 2 atm.

4.- Calcula la fuerza de empuje y de retroceso de un cilindro de doble efecto con las siguientes características: Presión del aire = 3 atm, sección del émbolo =7 cm2, sección del vástago =0,8cm2.

5.- ¿Cuál debe la presión mínima a la que debemos someter un cilindro de doble efecto para que levante una pieza de 10 Kg de masa?. Datos del cilindro: Superficie del émbolo = 2 cm2, Superficie del vástago = 0,8 cm2.

6.- Dibuja los símbolos correspondientes en los cuadros con los nombres siguientes:

Cilindro de simple efecto



Válvula 3/2 normalmente activa



Unidad de mantenimiento



Mando manual general



Motor de doble sentido de giro



Depósito de aire



7.- Pon el nombre de los símbolos siguientes:

8.- Explica el funcionamiento del esquema neumático siguiente:

9.- Explica el funcionamiento del esquema siguiente y numéralo.

10.- Dibuja un esquema que haga salir el vástago de un cilindro de simple efecto cuando se pulsa una válvula 3/2, que retorne gracias a un muelle y pon su numeración normalizada.

11.- Dibuja un esquema en el que se active un cilindro de doble efecto dependiendo de que este pulse una válvula 5/2. Numera los símbolos y los terminales.

Regresar al índice