Autor: Antonio Bueno

Unidad didáctica:
"Electrónica Analógica"




CURSO 4º ESO


Autor: Antonio Bueno

Unidad didáctica:
"Electrónica Analógica"
ÍNDICE

1.-  Introducción.
2.-  El amplificador.
3.-  El amplificador operacional (AO).
4.-  Montajes básicos.
    4.1.-  AO no inversor.
    4.2.-  AO como seguidor.
    4.3.-  AO como sumador.
    4.4.-  AO como diferencial.
    4.5.-  AO como comparador.
    4.6.-  El AO LM324. Aplicaciones con AO.
5.-  El CI NE555. Aplicaciones con el NE555.
6.-  El Tiristor (SCR).
7.-  El Diac.
8.-  El Triac.
9.-  Circuitos de aplicación.
10.-  Actividades.
1.- Introducción.

Una señal analógica es aquella que toma todos los valores posibles entre dos intervalos de tiempo. Por ejemplo, si tomamos la intensidad luminosa que hay entre la noche y el día, vemos que amanece poco a poco, de forma continua.

Señal analógica

Los eventos en la naturaleza se presentan de forma continua o analógica.

La electrónica analógica se encarga de tratar las señales eléctricas de forma continua. En los comienzos de la electrónica todas las señales se trataban de esta manera, por lo que todos los componentes estaban construidos para tratar las señales analógicas.

El transistor, es posiblemente el componente más representativo, pero ya se ha estudiado en el tema de electrónica básica. En este tema vamos a estudiar sólo algunos conceptos y una muestra de los circuitos más utilizados.

Vamos a estudiar el concepto de amplificador, y como ejemplo veremos el amplificador operacional, muy usado en los comienzos de la electrónica. Luego veremos el funcionamiento del NE555, un circuito que ha sido muy popular. Y por último algunos componentes que se utilizan en el control de la corriente alterna.

En ningún caso se pretende dar un estudio exhaustivo de estos componentes, pero si unas pinceladas de su funcionamiento.

Regresar al índice

2.- El amplificador.

Su símbolo general es:

Símbolo del amplificador

El objeto de un amplificador electrónico, es elevar el valor de la tensión, corriente o potencia de una señal variable en el tiempo, procurando mantenerla lo más fiel posible.

Los parámetros que caracterizan a un amplificador son los siguientes:

Amplificador

Donde:
A = ganancia del amplificador.
Ve = tensión de entrada.
ie = Intensidad de entrada.
Ze = Impedancia de entrada.
Vs = tensión de salida.
is = Intensidad de salida.
Zs = Impedancia de salida.

La ganancia (A), es la relación entre la salida y la entrada. Se puede distinguir entre ganancia de tensión, corriente y potencia.

Av = Vs/Ve ganancia de tensión.
AI = is/ie ganancia de corriente.
Ap = Ps/Pe = Av.AI ganancia de potencia. Ninguna tiene unidades.

En numerosas ocasiones se presenta la ganancia sobre una escala logarítmica, en vez de un escala lineal. En estos casos la unidad es el Bel (B), pero se utiliza uno de sus submúltiplos, el decibelio (dB).

En este caso la ganancia de potencia se define como:

A(dB) = 10 log (Ps/Pe)

Si las potencias se disipan sobre resistencias iguales la ganancia también se puede expresar como:

A(dB) =20 log (Vs/Ve)

A(dB) = 20 log (is/ie)

Ejemplo:

a) A un amplificador le aplicamos la siguiente señal, Ve= 2V ie= 20 mA. Y el nos da, Vs = 8V, is= 200 mA. ¿cuál será su ganancia de tensión, corriente y potencia.?

Solución:

Av = Vs/Ve = 8V/2V = 4

AI = is/ie = 200 mA/ 20mA = 10

Av = Vs/Ve = 8V/2V = 4

b) Expresa la ganancia de potencia del ejercicio anterior en decibelios (dB)

Solución:

A(dB) = 10 log (Ps/Pe) =10 log (40) = 16,02 dB

Regresar al índice

La impedancia de entrada (Ze) y de salida (Zs), se definen como la tensión aplicada y la corriente absorbida.

Ze = Ve/ie impedancia de entrada.

Zs = Vs/is impedancia de salida.

Ejemplo:

a) Calcula las impedancias de un amplificador al que le hemos aplicado la señal, Ve= 2V ie= 20 mA, y el nos ha dado, Vs = 8V, is= 200 mA.

Solución:

Ze = Ve/ie = 2V/20 mA = 100 W

Zs = Vs/is = 8V/200 mA = 40 W

La respuesta en frecuencia.

Generalmente, la ganancia del amplificador depende de la frecuencia de la señal con que esté trabajando. Una representación gráfica puede ser:

Respuesta en frecuencia de un amplificador

Donde:
f1 = frecuencia 1, de corte bajo.
f2 = frecuencia 2, de corte alto.
Df = intervalo de frecuencia de ganancia constante.
Amax= ganancia máxima.
0,7 Amax = ganancia de corte.

Para una gama de frecuencias (Df), la ganancia permanece constante. Para frecuencias bajas y altas, la frecuencia disminuye. Se define la frecuencia de corte como aquella, para la cual, la ganancia disminuye 3 dB por debajo de la Amax.

El amplificador para las frecuencia comprendidas entre f1 y f2 responderá perfectamente.

Regresar al índice

3.- El amplificador operacional (AO).

El amplificador operacional (AO), es un amplificador que posee, dos entradas activas referidas a masa (entrada diferencial); la entrada inversora (-), y la no inversora (+). Tiene una salida y se alimenta con tensión simétrica (dos fuentes de tensión).

Circuito básico del amplificador operacional (AO)

Las características del AO ideal son:

- Ganancia de tensión en lazo abierto (A0) infinita.
- Impedancia de entrada (Ze) infinita.
- Impedancia de salida (Zs) cero.

Regresar al índice

4.- Montajes básicos.

Ya que el AO presenta una ganancia infinita, no se puede utilizar sin reducirla mediante realimentación negativa. El circuito básico con AO es el siguiente:

Amplificador inversor

Este es el amplificador inversor, de manera que la señal de entrada se vera invertida a la salida.

La expresión de la ganancia se obtiene a continuación:

Cuando aplicamos la Ve, se establecen las corrientes ie e is, y las tensiones Ve' y Vs.

Donde tenemos:

ie = (Ve - Ve' ) / R1
is = (Ve' - Vs) / R2

La salida Vs y la entrada Ve' están relacionadas por la ganancia A0:

Vs = -A0. Ve' ; Ve' = - Vs / A0

Puesto que la impedancia de entrada del AO es infinita no se deriva corriente hacia la entrada del AO y se cumple que:

ie = is

Luego:

(Ve - Ve') / R1 = (Ve' - Vs) / R2

Operando y sustituyendo Ve', nos queda:

R2.Ve + R1.Vs = (R1+R2).(-Vs/A0)

La ganancia será:

A = Vs /Ve = - R2 / (R1 + (R1 + R2)/A0)

Como A0 tiende a infinito, podemos considerar:

A = - R2 /R1

Donde se observa, que la ganancia del amplificador sólo depende de las resistencias R2 y R1.

Como se cumple la expresión, Ve' = - Vs / A0 donde A0 vale infinito, la Ve' valdrá cero. Por lo que podemos considerara que la entrada (-) está unida a masa. Es como si las entradas (+) y (-) estuvieran en cortocircuito, pero no circula corriente entre ellas, la Ze es infinita. A este hecho se le conoce como el principio de la masa virtual.

Luego la impedancia de entrada del amplificador será R1 para la entrada Ve.

Ejemplo:

a) Calcula la ganancia de un amplificador inversor que tiene sus resistencias R1 = 1k W y R2 = 10k W.

Solución:

A = - R2/R1 = -10k/1k = -10

Amplifica 10 veces la entrada y la invierte.

Otro ejemplo:

a) En el amplificador anterior aplicamos una tensión de entrada de 10 mV. Calcular el valor de la ie, Vs e is.

Solución:

A = Vs /Ve ; Vs = A .Ve = -10 . 10 mV = -100 mV

ie = Ve / R1 = 10 mV / 1k = 0,00001 A = 10 µA

is = Vs / R2 = 100mV /10k = 0,00001 A = 10 µA

Se observa que ie = is.

Regresar al índice

4.1.- AO no inversor.

El amplificador no inversor se muestra a continuación.

Amplificador no inversor

Calculamos su ganancia, aplicando el principio de masa virtual.

V+ = Ve = V-

La corriente ie será:

ie = Ve / R1

Como

ie = is

La tensión de salida será:

Vs = R2.is +Ve

Sustituyendo ie por su valor:

Vs = R2. (Ve/R1) + Ve

Y la ganancia será:

A = Vs / Ve = 1 + R2 / R1

Ejemplo:

a) Calcula la ganancia de un amplificador no inversor que tiene sus resistencias R1 = 1k2 W y R2 = 12k W.

Solución:

A = 1 + R2/R1 = 1+ 12k/1k2 = 11

Amplifica 11 veces la entrada.

Regresar al índice

4.2.- AO como seguidor.

Este no es más que un caso particular del amplificador no inversor.

Amplificador seguidor

Al ser R2 =0, la ganancia es A= 1 y no es necesario poner R1.

Se comporta como un perfecto adaptador de impedancias, sin modificar la señal de entrada.

Regresar al índice

4.3.- AO como sumador.

El sumador se muestra a continuación.

Amplificador sumador

Por el principio de masa virtual, tenemos que:

ie = i1 + i2 +i3 = is

Siendo:

i1= V1/R1, i2 = V2 /R2, i3 =V3/R3

Sustituyendo tenemos:

is = V1/R1 + V2 /R2 + V3/R3

Vs = - Rs.is = -Rs. (V1/R1 + V2 /R2 + V3/R3)

Si hacemos R = R1 = R2 = R3, nos queda:

Vs = - (Rs / R).(V1 + V2 + V3)

Luego observamos que la salida es la suma de las entradas multiplicada por el factor - Rs / R.

Una aplicación típica de este montaje, es la de mezclador de sonidos.

Regresar al índice

4.4.- AO como diferencial.

El montaje diferencial se muestra a continuación.

Amplificador diferencial

Para entender su funcionamiento calcularemos el efecto que produce cada entrada y los sumaremos.

Por la entrada 1 obtenemos la siguiente salida:

Vs1 = Ve1. R2/R1

Por la entrada 2 obtenemos la siguiente salida:

Vs2 = - Ve2 . R2/R1

Sumando sus efectos nos quedará:

Vs = Vs1 + Vs2 = (Ve1 - Ve2). R2/R1

El único inconveniente es que no presenta la misma impedancia de entrada por las dos entradas, (R1 + R2 para Ve1 y R1 para Ve2).

El amplificador diferencial se utiliza en aplicaciones en las que nos interesa eliminar señales de ruido introducidas por el ambiente o perturbaciones.

Regresar al índice

4.5.- AO como comparador.

El montaje comparador se muestra a continuación.

Amplificador como comparador

Este montaje compara las tensiones que hay entre sus entradas V- y V+. Cuando es mayor el valor en la entrada V- que en la V+ (V- > V+) la salida será Vs = - Vcc. Si la entrada V+ es mayor que la entrada V- (V+ > V-) la salida será Vs = +Vcc.

Veamos los cálculos para este circuito.

La tensión en la entrada inversora vale:

V- = (Ve + VR)/2R . R - VR = ½ Ve - ½ VR

La tensión en la entrada no inversora es:

V+ = Vs . (R2 /(R1+R2))

En un primer instante ponemos a Ve un valor negativo, resultará ser V+ > V- y el AO estará saturado positivamente, siendo Vs = Vcc.

Se mantendrá en este estado mientras V- < V+.

Si aumentamos Ve hasta que se cumpla que V- >= V+, en ese momento el AO se saturará negativamente quedando Vs = - Vcc. Aunque sigamos subiendo el valor de Ve.

Ahora volvemos a disminuir Ve hasta que se cumpla de nuevo V+ > V- en ese instante se saturará el AO positivamente quedando Vs = +Vcc.

Lo cierto es, que la tensión Ve en que el AO se satura negativamente y luego pasa a saturarse positivamente no es la misma. A este fenómeno se le llama histéresis.

La tensión de Ve (V1) en que el AO se satura negativamente será:

V1 = (2.Vcc.R2)/(R1+R2) +VR

La tensión de Ve (V2) en que el AO se satura positivamente será:

V2 = - (2.Vcc.R2)/(R1+R2)+VR

La curva de transferencia del circuito se muestra a continuación.

Histéresis del comparador

Vemos que se compara el valor de Ve con un valor fijo de VR. El cambio no se produce en el mismo instante en que Ve = VR, sino un cierto valor por encima o por debajo, según Ve vaya aumentando o disminuyendo.

El ancho de histéresis es:

VH = V1- V2 = (4.Vcc. R2) / (R1+R2)

Cuanto menor sea R2, menor será VH, si se hace R2 = 0, esta se anula, no siendo necesario poner R1.

Regresar al índice

4.6.- El AO LM324. Aplicaciones con AO.

El circuito integrado LM324, contiene cuatro amplificadores operacionales en un solo circuito como puede verse en la figura siguiente.

Patillas del LM324

Algunas de las características que tiene son:

- Amplio rango de Alimentación de corriente continua (Vcc), puede ser simétrica de ± 1,5V a ± 16V, o sólo positiva desde 3 a 32 V.

- Puede trabajar directamente a 5V, como los sistemas digitales.

- Ancho de banda de 1MHz.

- La tensión de salida será de 0V hasta Vcc -1,5V.

- Potencia que es capaz de disipar, 1130 mW.

- Tiempo de respuesta 10 µs.

Se trata de un amplificador que se puede utilizar para aplicaciones de baja frecuencia, frecuencias inferiores a 100kHz.

Para poder trabajar con tensiones continuas positivas, es necesario poner una red de resistencias que eleve la tensión de la masa hasta la mitad de la alimentación.

Un ejemplo de aplicación de amplificador inversor puede verse a continuación.

Amplificador inversor con el LM324

El condensador de 10µf es necesario para estabilizar la tensión, y la resistencia de 6k2, se utiliza como carga.

El amplificador no inversor quedará de la forma siguiente:

Amplificador no inversor con el LM324

La resistencia de 1M, es necesaria para limitar la corriente de la alimentación sobre la entrada +.

Este tipo de amplificadores deben llevar condensadores de desacoplo en la entrada y la salida para evitar pasar la corriente continua de las etapas anteriores y posteriores.

Otra aplicación puede ser un comparador de tensión positiva, sin necesidad de tensiones simétricas ni negativas.

Comparador con el LM324

Regresar al índice

5.- El CI NE555. Aplicaciones con el NE555.

El NE555, es un circuito integrado especialmente diseñado para diseñar circuitos multivibradores y comparadores con un mínimo número de componentes externos.

Algunas de las características que tiene son:

- Amplio rango de alimentación de corriente continua (Vcc), desde 4,5 a 16 V.

- Alta corriente de salida, puede llegar a 200 mA.

- Temporizaciones de microsegundos hasta horas.

- Salida compatible con TTL.

- Alta estabilidad de trabajo.

Descripción:

Cuando el terminal Reset (4) se encuentra a nivel bajo (<0,7V), la salida (3) está a nivel bajo, y permanecerá así. Si queremos que el circuito trabaje, debe estar a nivel alto (Vcc).

Cuando la tensión en la entrada T (2) del comparador T, es Vcc/3 o menor, la salida (3) pasa a valor alto (Vcc), y quedará así gracias al biestable.

Cuando la tensión en la entrada H (6) del comparador H, es 2Vcc/3 o mayor, la salida (3) pasará a nivel bajo (0 V), y se quedará así gracias al biestable.

La patilla 7 (Descarga), se utiliza para descargar condensadores, esta patilla está a nivel bajo cuando la salida es 0 V.

La entrada Voltaje de control (5), sirve para cambiar los niveles de comparación. Si no se desea emplea debe colocarse un condensador con valores comprendidos desde 10nF a 1µF.

Su diagrama de bloques internos puede verse a continuación.

Bloques del NE555

Las patillas de NE555 se pueden ver a continuación.

Patillas del NE555

Regresar al índice

Dos aplicaciones típicas del NE555 son las siguientes:

Monoestable:

El esquema puede verse a continuación.

Monoestable con el NE555

Cuando introducimos un nivel bajo sobre la entrada "patilla 2", la salida sube a nivel alto (Vcc) durante el periodo de tiempo T1. Transcurrido el tiempo T1, la salida vuelve a tomar el valor bajo (0 voltios) y permanece ahí hasta otro disparo de entrada.

La ecuación que indica el valor de T1 es:

T1 = ln3 * (RA*C)

Siendo: T1 = segundos, RA = ohmios y C = faradios.

Entrada y salida del monoestable con el NE555

Ejemplo:

a) Calcula un monoestable con el NE555 de 1 segundo, si utilizamos un condensador de 10 µF.

Solución:

T1 = ln3 * (RA*C) = 1,09* (RA*C)

RA = T1/(1,09* C) = 1 / (1,09 * 10x 10-6) = 91023,92 W

Aestable:

El esquema puede verse a continuación.

Aestable con el NE555

La salida está oscilando entre el nivel alto (Vcc) durante el tiempo T2 y el nivel bajo (0 voltios) durante el tiempo T1.

Las ecuaciones de los tiempos T1 y T2 son:

T1 = ln2 * (RB*C)

T2 = ln2 * (RA + RB) *C

Siendo: T1 = segundos, RA y RB = ohmios y C = faradios.

Salida del Aestable con el NE555

Ejemplo:

a) Calcula un aestable con el NE555 de T1 = 1 segundo y T2 = 2 segundos, si utilizamos un condensador de 10 µF.

Solución:

T1 = ln2 * (RB*C) = 0,69* (RB*C)

RB = T1 /(0,69* C) = 1 / (0,69* 10x 10-6) = 144927,5 W

T2 = ln2 * (RA +RB) *C = 0,69*(RA +RB) *C

RA = (T2 /(0,69* C))- RB =144259,5 W

Regresar al índice

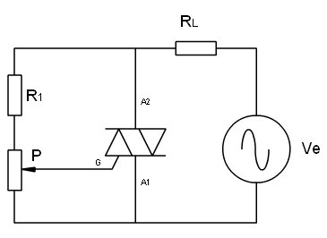
6.- El Tiristor (SCR).

El tiristor, también denominado SCR (Silicon Controlled Rectifier), consta de cuatro capas PNPN, que forman tres uniones, diodos D1, D2 y D3.

El símbolo del tiristor es el siguiente:

Símbolo del tiristor

Sus terminales se llaman:

A = ánodo, K = cátodo y G = puerta.

A continuación puede verse su representación simbólica:

Representación simbólica del tiristor

Funcionamiento del tiristor.

El circuito de polarización de corriente continua, se puede ver a continuación:

Polarización de c.c. del tiristor

1.- En el caso de que VBB sea 0 voltios, el diodo central D2, no permite que circule corriente entre el ánodo y el cátodo.

2.- Cuando VBB sea superior a 0,7 voltios, el diodo puerta - cátodo (D3) está en conducción y hace que la zona P del diodo D3 se comporte como si fuese material de tipo N, permitiendo que circule corriente entre ánodo y cátodo. A este efecto se le llama cebado.

Cebado del tiristor

3.- Una vez se ha producido el cebado, no importa que cese la corriente de puerta, el tiristor continuará cebado mientras exista corriente entre ánodo y cátodo. La única forma de que deje de conducir es hacer que desaparezca la corriente o que la tensión Vcc sea 0 voltios o negativa.

4.- Si lo conectamos a corriente alterna, durante los semiciclos positivos se comporta como hemos visto en corriente continua, y en los semiciclos negativos no permite que circule corriente por el ánodo - cátodo, haciendo que deje de estar cebado si estaba cebado.

Tiristor conectado a corriente alterna

Se comporta como un rectificador en el que podemos controlar el momento de cebado por la puerta.

Formas de onda en VRA, VAK y Ve

Regresar al índice

Una aplicación es el circuito siguiente, regula la potencia que entregamos a un calefactor RL.

Regulador de potencia para un calefactor

Cuando el potenciómetro se encuentra en la posición superior, la tensión y corriente entregada sobre la carga RL será máxima.

Potencia máxima, P en la parte superior

Por el contrario cuando el potenciómetro se encuentra en la parte inferior, la tensión y corriente sobre la carga RL será la mínima.

Potencia mínima, P en la parte inferior

Hacer notar que la corriente sólo se entregará durante los semiciclos positivos, y sólo se puede controlar el disparo entre 0º y 90º (valor máximo de tensión).

Regresar al índice

7.- El Diac.

El diac (diode alternative current), es un elemento bidireccional, y no tiene polaridad. Está diseñado para trabajar con corriente alterna.

El símbolo del diac puede verse a continuación:

Símbolo del diac

Sus terminales se llaman:

A1 = ánodo 1 y A2 = ánodo 2.

Funcionamiento del diac:

Cuando alcanza una tensión en sus extremos de unos 30 Voltios, pasa al estado de cebado y se comporta como un cortocircuito, permitiendo el paso de la corriente entre sus ánodos. Permanecerá cebado mientras circule corriente o la tensión sea distinta de cero.

Un circuito en corriente alterna del diac se puede ver a continuación:

Diac en corriente alterna

La tensión caerá en el diac, hasta que alcanza los 30 voltios, momento en que se comporta como un diodo en conducción y toda la tensión caerá en la carga. Como se trata de un elemento bidireccional se comporta igual en el semiciclo positivo y negativo.

Caída de tensión del diac en corriente alterna

El diac no ofrece ningún tipo de control de disparo. Simplemente cuando alcanza la tensión de cebado se ceba, y permanece en este estado.

Regresar al índice

8.- El Triac.

El triac (triode alternative current), es un elemento diseñado para el control de corriente alterna en los dos semiciclos, positivo y negativo.

El símbolo del triac puede verse a continuación:

Símbolo del triac

Sus terminales se llaman:

A1 = ánodo 1, A2 = ánodo 2 y G = puerta

Funcionamiento del triac:

El triac se comporta como dos tiristores en antiparalelo, pero se puede cebar tanto en los semiciclos positivos como negativos.

Equivalencia entre tiristores y triac

Cuando la tensión en la puerta es superior o inferior a un valor, el triac se ceba y permite el paso de la corriente entre ánodos.

Una aplicación de corriente alterna con el triac puede verse a continuación, regula la potencia que entregamos a un calefactor RL:

Triac en corriente alterna

El esquema anterior, regula la potencia en los semiciclos positivos y negativos, aunque no es simétrica. Y tampoco puede superar los 90º de disparo.

Potencia entregada con el triac en corriente alterna

Para conseguir variar la potencia entre 0 y máxima, es necesario emplear circuitos de disparo más complejos.

Regresar al índice

9.- Circuitos de aplicación.

Las aplicaciones de estos circuitos son muy numerosas. A continuación se muestran una aplicación para el tiristor y otra para el triac.

Interruptor crepuscular con Tiristor.

Interruptor crepuscular

El funcionamiento es el siguiente:

Los cuatro diodos se encargan de rectificar la corriente alterna y hacer llegar hasta la red RC, y el Tiristor los dos semiciclos como positivos.

Cuando incide la luz sobre la LDR, hace que disminuya su valor lo suficiente como para que no se cebe el Tiristor y por lo tanto no circular casi corriente por la RL.

Si no hay luz sobre la LDR, su valor es elevado y cuando la tensión sobre C, alcance la necesaria para cebar al tiristor este se cebará y lucirá la bombilla.

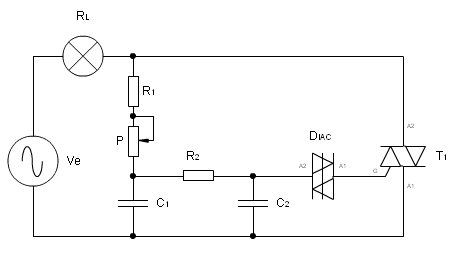
Regulador de intensidad luminosa:

Regulador de intensidad luminosa

El funcionamiento es el siguiente:

La red R1-P-C1 se encarga de hacer que la tensión que llega hasta la segunda red R2-C2, se retrase respecto de la de entrada un ángulo.

La segunda red R2-C2, retrasa la tensión nuevamente, de manera que se alcanza la tensión de disparo del triac T1, lo suficientemente tarde como para controlar el ángulo de disparo desde 0 hasta 180º, en cada uno de los semiciclos.

De esta manera dependiendo del valor de P, podemos variar el ángulo de disparo, para P = 0 ohmios, el disparo se realiza con el menor ángulo y se entrega la máxima potencia en la carga RL. Para P = máximo de ohmios, se entrega la mínima potencia en la carga.

Regresar al índice

10.- Actividades.

1.- Disponemos de un amplificador con los siguientes datos: Ve =1V, Vs = 6V, ie = 10mA, is= 400mA.

¿Calcula la ganancia de tensión, de intensidad y de potencia del amplificador?.

2.- Expresa la ganancia de la potencia de la actividad anterior en decibelios (dB).

3.- Un amplificador tiene una ganancia de potencia de 10, otro de 20 y otro de 40. Expresa dichas ganancias en decibelios (dB).

4.- Obtén la impedancia de entrada y salida del amplificador de la actividad 1.

5.- Calcula la ganancia de un amplificador inversor que tiene sus resistencias R1 = 2k2 W y R2 = 22k W.

6.- Calcula la Vs de un amplificador inversor de ganancia A= -30, si la tensión de entrada es de 20 mV. Indica también la ie y la is.

7.- Calcula la ganancia de un amplificador no inversor con sus resistencias R1 = 4k7 W y R2 = 140k W.

8.- Monta los amplificadores reales con el AO LM324, para una ganancia de 10, R1 = 1k y R2 = 10k, aplícales una tensión de 10 Voltios como alimentación, y comprueba con ayuda de un generador y un osciloscopio como amplifica la señal de entrada.

9.- Calcula y dibuja el esquema de un temporizador monoestable con el circuito NE555 que dure, 3 minutos. Utiliza un condensador de 100 µF. Indica para que puede utilizarse dicho temporizador.

10.- Calcula y dibuja el esquema de un Aestable con el NE555 que tenga las siguientes características. T1 = 5 ms, T2 = 15 ms y el condensador C= 1 µF.

Regresar al índice